DUE_img_01jpg.jpg
DUE_img_01jpg.jpg

TYPE DUE 

DE MULTIPLES OPTIONS D'INTÉGRATION

Les buses à jet longue portée sont surtout utilisées quand la distance entre le diffuseur de l’air soufflé et la zone de séjour est très grande.

C’est le cas notamment dans des locaux de grande hauteur ou de volume élevé (halles, palais des congrès, etc.) où une implantation de diffuseurs plafonniers de soufflage au-dessus n’est pas possible, ou n’est pas souhaitable. On installe alors des buses à jet longue portée latéralement. Nous prenons en compte les déviations du jet qu’entraine les variations de température entre l’air soufflé et ambiant en traitement chaud (déviation vers le haut) ou froid (déviation vers le bas).

La direction du jet de soufflage peut être également influencée par des facteurs extérieurs, c’est-à-dire par des flux de convection ou des flux latéraux propres au local. C’est pour cette raison que les buses à jet de longue portée TROX série DUE sont, selon l’exécution, réglables et orientables.

Informations générales

La direction du jet de soufflage peut être facilement réglée manuellement sur le site. L’orientation peut être en outre effectuée par un moteur, dans une plage de +/-30° d’angle. A cet effet, TROX propose des moteurs pour systèmes de réglage pneumatiques ou électriques.

Grâce à leur conception aérodynamique, les buses TROX à jet de longue portée offrent un confort acoustique très élevé. Cet avantage, auquel vient s’ajouter un design soigné qui permet de les employer aussi bien dans des locaux à haut niveau de confort, telles que salles de concert, théâtres, musées, etc.

Le grand nombre de variantes proposées, leur capacité d’adaptation aux exigences techniques des zones à traiter, ainsi que leur adéquation à des exigences parfois très élevées en matière acoustique font des buses à jet de longue portée TROX des produits adaptés à pratiquement tous les types d’installations.

DUE-S : Avec inclinaison 30° vers le haut et vers le bas

DUE-V : En supplément avec rotation de 360°

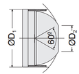
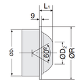
INFORMATION TECHNIQUE

  • DIMENSIONS
  • DONNÉES TECHNIQUES

 


 

Téléchargements

Information produit

production {"x-frame-options"=>"SAMEORIGIN", "x-xss-protection"=>"0", "x-content-type-options"=>"nosniff", "x-permitted-cross-domain-policies"=>"none", "referrer-policy"=>"strict-origin-when-cross-origin", "strict-transport-security"=>"max-age=31536000; includeSubDomains", "content-type"=>"text/html; charset=utf-8", "link"=>"</assets/application-efbc495b06ca980ef13dc743756002fce2f413f798fecb64c7f0c81954c16402.css>; rel=preload; as=style; nopush,</assets/print-fec2e47d6d8dcc5d4c101139f17046ba981ca1c12f71e7e403fba50cc7584175.css>; rel=preload; as=style; nopush,</assets/other_js/modernizr.custom.93544-c26374a79d804901074bb4aa6fd3fa44ea22e840389915d2adce16b024021ef3.js>; rel=preload; as=script; nopush,</assets/other_js/js.cookie.min-de103d86d1919b40950f791699b4ce768137fde41af09b35ff92bde369732183.js>; rel=preload; as=script; nopush,</assets/other_js/jquery-3.5.1-2c4ce18a1a3f144c333912efc24a76c9a165a0dba9f88a499985df1af0a196a2.js>; rel=preload; as=script; nopush"}

Partager la page

Recommander cette page

Vous avez la possibilité de recommander cette page en partageant le lien.

Les champs marqués d'une étoile (*) sont obligatoires.

Contact

Merci pour votre message !

Votre recommandation a été envoyée et sera bientôt reçue par le destinataire.

Contact

Nous sommes à votre disposition

Veuillez spécifier le sujet de votre requête et vos coordonnées.
Tel.: +33 1 56 70 54 54

Pièce jointe (max. 10MB)

Les champs marqués d'une étoile (*) sont obligatoires.

Contact

Merci pour votre message !

Votre message a été reçu par le Centre de Service et est en cours de traitement.
Notre département des demandes de service vous contactera sous peu.
Si vous avez des questions d'ordre général sur nos produits et services, vous pouvez également nous contacter à l'adresse suivante:
Tél .: +49 (0) 2845 2020 | Fax: +49 (0) 2845 202265

Contact

Nous sommes à votre disposition

Veuillez spécifier le sujet de votre requête et vos coordonnées.
Tel.: +33 1 56 70 54 54

Pièce jointe (max. 10MB)

Les champs marqués d'une étoile (*) sont obligatoires.

Contact

Merci pour votre message !

Votre message a été reçu par le Centre de Service et est en cours de traitement.
Notre département des demandes de service vous contactera sous peu.
Si vous avez des questions d'ordre général sur nos produits et services, vous pouvez également nous contacter à l'adresse suivante:
Tél .: +49 (0) 2845 2020 | Fax: +49 (0) 2845 202265