00132223_0
Volets de dosage, type JZ-P

Volets de dosage avec contre cadre et servomoteur

00133795_0
Contre-cadre


00132223_0
00133795_0

CONTRE-CADRE ER – VOLETS DE DOSAGE  

Pour le montage rapide et simple des volets de dosage

Contre-cadres pour un montage simple et rapide des volets de dosage Les contre-cadres avec équerres de fixation sont cimentées dans l'ouverture du mur, et les volets de dosage sont fixés aux contre-cadres

  • Les profilés en L sont en tôle galvanisée ou en acier inoxydable
  • Version en acier galvanisé avec équerres de fixation vissés
  • Version en acier inox avec équerres de fixation soudés


Équipements et accessoires en option

  • Construction subdivisée (largeur et hauteur subdivisée) pour le montage de volets de dosage subdivisés (en tôle galvanisée) sans structure de support

Application

Application

  • Pour montage des volets de dosage dans des murs et des plafonds pleins
  • Montage simplifié
  • Le contre cadre assure le montage rapide, simple et précis des volets de dosage

Application

  • Pour montage des volets de dosage dans des murs et des plafonds pleins
  • Montage simplifié
  • Le contre cadre assure le montage rapide, simple et précis des volets de dosage

Description

Pièces et caractéristiques

  • Contre-cadre comprenant des sections d'angle
  • Goujons filetés
  • Rondelles
  • Écrous à six pans
  • Équerres de fixation

Matériaux et finitions

JZ-S, JZ-P, JZ-LL, JZ-HL

  • Contre-cadre en acier galvanisé (profilé en L 35 × 35 × 3 mm)
  • Équerres de fixation à visser, goujons filetés, vis, écrous et rondelles en acier galvanisé


JZ-S-A2, JZ-P-A2, JZ-LL-A2

  • Contre-cadre en acier inox, matériau n° 1.4301 (angle 35 x 35x 3 mm)
  • Équerres de fixation soudé, goujons filetés, écrous et rondelles en acier inox, matériau no° 1.4301


JZ–LL–AL, JZ–HL–AL

  • Contre cadre en tôle d'acier galvanisée (brides de raccordement standards)
  • Équerres de fixation à visser, goujons filetés, vis, écrous et rondelles en acier galvanisé

Pièces et caractéristiques

  • Contre-cadre comprenant des sections d'angle
  • Goujons filetés
  • Rondelles
  • Écrous à six pans
  • Équerres de fixation

Matériaux et finitions

JZ-S, JZ-P, JZ-LL, JZ-HL

  • Contre-cadre en acier galvanisé (profilé en L 35 × 35 × 3 mm)
  • Équerres de fixation à visser, goujons filetés, vis, écrous et rondelles en acier galvanisé


JZ-S-A2, JZ-P-A2, JZ-LL-A2

  • Contre-cadre en acier inox, matériau n° 1.4301 (angle 35 x 35x 3 mm)
  • Équerres de fixation soudé, goujons filetés, écrous et rondelles en acier inox, matériau no° 1.4301


JZ–LL–AL, JZ–HL–AL

  • Contre cadre en tôle d'acier galvanisée (brides de raccordement standards)
  • Équerres de fixation à visser, goujons filetés, vis, écrous et rondelles en acier galvanisé

Information technique

Modèles, Dimensions

  • Modèles
  • Dimensions
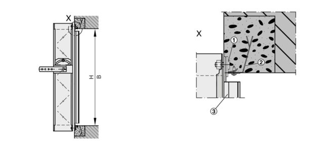
Contre-cadre pour les volets de dosage et pour les clapets pare-fumée 00133894_0
① Goujon fileté
② Rondelle
③ Écrou hexagonal
④ Équerres de fixation
⑤ Vis à tête hexagonale
⑥ Contre-cadre


Contre cadre pour les volets de dosage trox_blau20 Description Volets de dosage, Type trox_blau20

Acier galvanisé

JZ-S, JZ-P, JZ-LL, JZ-HL

trox_blau20

Acier galvanisé

JZ–LL–AL, JZ–HL–AL

trox_blau20

Tôle galvanisée, largeur subdivisée

JZ-S, JZ-P, JZ-LL, JZ-HL

trox_blau20

Tôle galvanisée, hauteur subdivisée

JZ-S, JZ-P, JZ-LL, JZ-HL

trox_blau20

Inox

JZ-S-A2, JZ-P-A2, JZ-LL-A2

Contre cadre pour les volets de dosage

Description Volets de dosage, Type

Acier galvanisé

JZ-S, JZ-P, JZ-LL, JZ-HL

Acier galvanisé

JZ–LL–AL, JZ–HL–AL

Tôle galvanisée, largeur subdivisée

JZ-S, JZ-P, JZ-LL, JZ-HL

Tôle galvanisée, hauteur subdivisée

JZ-S, JZ-P, JZ-LL, JZ-HL

Inox

JZ-S-A2, JZ-P-A2, JZ-LL-A2


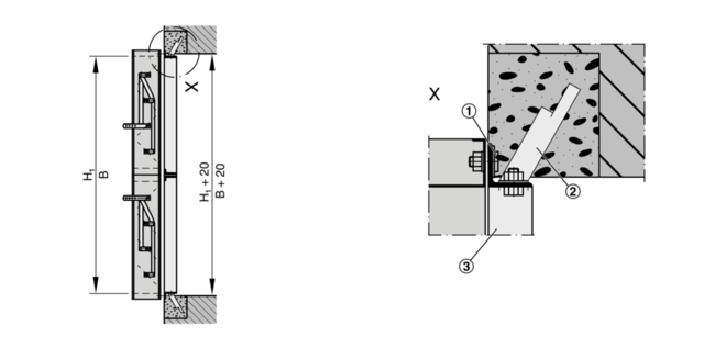
Le contre-cadre peut être enduit de mortier 00145887_0

Avant l'enduit du contre cadre, les équerres de fixation doivent être pliées et réparties (sur site)


Détails du montage

  • Détails du montage

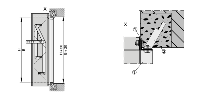
Montage et mise en service

Avant d'effectuer la fixation dans le contre-cadre

  • Fixer les goujons filetées, les rondelles et les écrous sur le contre cadre
  • Fixer les équerres de fixation vissables avec les écrous hexagonaux
  • Fixer les équerres de fixation vissables restants (espacement régulier, environ tous les 375 - 625 mm)

Après avoir effectué la fixation dans le contre cadre

  • Dévisser les écrous hexagonaux
  • Aligner le volet de dosage avec le contre cadre et fixer

Montage et mise en service

Avant d'effectuer la fixation dans le contre-cadre

  • Fixer les goujons filetées, les rondelles et les écrous sur le contre cadre
  • Fixer les équerres de fixation vissables avec les écrous hexagonaux
  • Fixer les équerres de fixation vissables restants (espacement régulier, environ tous les 375 - 625 mm)

Après avoir effectué la fixation dans le contre cadre

  • Dévisser les écrous hexagonaux
  • Aligner le volet de dosage avec le contre cadre et fixer

Téléchargements

Information produit

production {"x-frame-options"=>"SAMEORIGIN", "x-xss-protection"=>"0", "x-content-type-options"=>"nosniff", "x-permitted-cross-domain-policies"=>"none", "referrer-policy"=>"strict-origin-when-cross-origin", "strict-transport-security"=>"max-age=31536000; includeSubDomains", "content-type"=>"text/html; charset=utf-8", "link"=>"</assets/application-1efef774f4daddb2a10510120c01b6514216bb473627ae8d204a28c1fa9bac5a.css>; rel=preload; as=style; nopush,</assets/print-fec2e47d6d8dcc5d4c101139f17046ba981ca1c12f71e7e403fba50cc7584175.css>; rel=preload; as=style; nopush,</assets/other_js/modernizr.custom.93544-c26374a79d804901074bb4aa6fd3fa44ea22e840389915d2adce16b024021ef3.js>; rel=preload; as=script; nopush,</assets/other_js/js.cookie.min-de103d86d1919b40950f791699b4ce768137fde41af09b35ff92bde369732183.js>; rel=preload; as=script; nopush,</assets/other_js/jquery-3.5.1-2c4ce18a1a3f144c333912efc24a76c9a165a0dba9f88a499985df1af0a196a2.js>; rel=preload; as=script; nopush"}

Partager la page

Recommander cette page

Vous avez la possibilité de recommander cette page en partageant le lien.

Les champs marqués d'une étoile (*) sont obligatoires.

Contact

Merci pour votre message !

Votre recommandation a été envoyée et sera bientôt reçue par le destinataire.

Contact

Nous sommes à votre disposition

Veuillez spécifier le sujet de votre requête et vos coordonnées.
Tel.: +33 1 56 70 54 54

Pièce jointe (max. 10MB)

Les champs marqués d'une étoile (*) sont obligatoires.

Contact

Merci pour votre message !

Votre message a été reçu par le Centre de Service et est en cours de traitement.
Notre département des demandes de service vous contactera sous peu.
Si vous avez des questions d'ordre général sur nos produits et services, vous pouvez également nous contacter à l'adresse suivante:
Tél .: +49 (0) 2845 2020 | Fax: +49 (0) 2845 202265

Contact

Nous sommes à votre disposition

Veuillez spécifier le sujet de votre requête et vos coordonnées.
Tel.: +33 1 56 70 54 54

Pièce jointe (max. 10MB)

Les champs marqués d'une étoile (*) sont obligatoires.

Contact

Merci pour votre message !

Votre message a été reçu par le Centre de Service et est en cours de traitement.
Notre département des demandes de service vous contactera sous peu.
Si vous avez des questions d'ordre général sur nos produits et services, vous pouvez également nous contacter à l'adresse suivante:
Tél .: +49 (0) 2845 2020 | Fax: +49 (0) 2845 202265