00136390_0
SCHOOLAIR-D


00132715_0
Testés conforme à la norme VDI 6022


00130922_0
Raccordement eau


00130921_0
Fente de soufflage d'air


00136390_0
00132715_0
00130922_0
00130921_0

SCHOOLAIR-D  

Unité de soufflage et de reprise d'air avec batterie et récupérateur de chaleur, option d'air secondaire (selon la qualité d'air), pour installation en faux plafond

Unité de ventilation décentralisée prête à l'emploi qui offre de bons niveaux de confort, utilisée pour la ventilation des locaux, comme les salles de classe dans les écoles

  • Ventilateurs EC avec optimisation acoustique, faibles puissances spécifiques du ventilateur, SFP -1 suivant EN 13779
  • Échangeur à plaques pour récupération de chaleur (air/air), comprenant un clapet by-pass avec servomoteur électrique (ouvert-fermé)
  • Batterie pour le chauffage et le refroidissement en système 2 ou 4 tubes
  • Réduction de la contamination par pollen et poussière fine grâce aux filtres intégrés ; filtre air neuf F7
  • Le bac à condensat est utile si la température chute temporairement au-dessous du point de rosée.
  • Clapets de fermeture motorisés, normalement fermés (NC)
  • Installation sans interruption des activités de l'école concernée
  • Maintenance facile du filtre, aucun outil nécessaire


Équipements et accessoires en option

  • Système de régulation modulaire FSL-CONTROL II, spécifiquement adapté aux systèmes de ventilation décentralisés
  • Volume d'air neuf suivant la demande, free-cooling et purge nocturne, en fonction de la stratégie de régulation
  • Commutation automatique en mode air secondaire (en fonction de la qualité de l'air)
  • Récupération de chaleur variable
  • Peinture par poudrage RAL 9005 (noir, caisson) ou RAL 9010 (blanc, capot)

Utilisation

Utilisation

  • Ventilation des locaux, avec une profondeur jusqu'à env. 6 m.
  • Les batteries à 2 ou 4 tubes assurent un haut niveau confort
  • Distribution d'air par les fentes de soufflage
  • Solution à haut rendement énergétique car l'eau est le fluide caloporteur et frigoporteur utilisé
  • Pour les projets de construction neuve, de réhabilitation et de revitalisation
  • Montage sous le plafond et proche d'un mur extérieur
  • Les applications typiques comprennent les salles de classe dans les écoles, les salles de jeu dans les garderies, les petites salles de réunion et les bureaux avec un taux élevé de renouvellement d'air

Caractéristiques spéciales

  • Ventilation décentralisée pour les hauts débits
  • Batterie air-eau avec système 2 ou 4 tubes, écrou de serrage G½" et joints plats
  • Échangeur à écoulement transversal pour récupération de chaleur, comprenant un clapet by-pass avec servomoteur électrique
  • Clapets de fermeture motorisés pour l'air neuf et l'air évacué, normalement fermés (NC) afin d'éviter des flux d'air incontrôlés
  • Le bac à condensat est utile si la température chute temporairement au-dessous du point de rosée.
  • Plaque de plafond avec cadre réglable en hauteur (jusqu'à +29mm) et fentes intégrées pour le soufflage et la reprise
  • Deux ventilateurs EC efficace en énergie optimisé en acoustique avec faibles puissances spécifiques du ventilateur, SFP-1 suivant EN 13779
  • Conforme aux exigences d'hygiène VDI 6022
  • Récupérateur de chaleur avec by-pass réglable motorisé toute l'année
  • Exécution compacte, et donc particulièrement adaptée aux projets de rénovation
  • Une ventilation à la demande et une ventilation uniquement de reprise sont possibles grâce à la surveillance de la qualité de l'air ambiant et à l'utilisation d'un équipement de régulation spécifique
  • Bascule automatique en mode air secondaire (seulement avec un capteur de qualité d'air) si la qualité de l'air ambiant (mesuré avec la sonde COV intégrée, par exemple) est dans l'éventail défini au préalable. L'unité démarre toujours en mode air secondaire, qui est plus efficace en énergie.

Dimensions nominales

  • 1640 × 400 × 800 mm (B × H × T)

Utilisation

  • Ventilation des locaux, avec une profondeur jusqu'à env. 6 m.
  • Les batteries à 2 ou 4 tubes assurent un haut niveau confort
  • Distribution d'air par les fentes de soufflage
  • Solution à haut rendement énergétique car l'eau est le fluide caloporteur et frigoporteur utilisé
  • Pour les projets de construction neuve, de réhabilitation et de revitalisation
  • Montage sous le plafond et proche d'un mur extérieur
  • Les applications typiques comprennent les salles de classe dans les écoles, les salles de jeu dans les garderies, les petites salles de réunion et les bureaux avec un taux élevé de renouvellement d'air

Caractéristiques spéciales

  • Ventilation décentralisée pour les hauts débits
  • Batterie air-eau avec système 2 ou 4 tubes, écrou de serrage G½" et joints plats
  • Échangeur à écoulement transversal pour récupération de chaleur, comprenant un clapet by-pass avec servomoteur électrique
  • Clapets de fermeture motorisés pour l'air neuf et l'air évacué, normalement fermés (NC) afin d'éviter des flux d'air incontrôlés
  • Le bac à condensat est utile si la température chute temporairement au-dessous du point de rosée.
  • Plaque de plafond avec cadre réglable en hauteur (jusqu'à +29mm) et fentes intégrées pour le soufflage et la reprise
  • Deux ventilateurs EC efficace en énergie optimisé en acoustique avec faibles puissances spécifiques du ventilateur, SFP-1 suivant EN 13779
  • Conforme aux exigences d'hygiène VDI 6022
  • Récupérateur de chaleur avec by-pass réglable motorisé toute l'année
  • Exécution compacte, et donc particulièrement adaptée aux projets de rénovation
  • Une ventilation à la demande et une ventilation uniquement de reprise sont possibles grâce à la surveillance de la qualité de l'air ambiant et à l'utilisation d'un équipement de régulation spécifique
  • Bascule automatique en mode air secondaire (seulement avec un capteur de qualité d'air) si la qualité de l'air ambiant (mesuré avec la sonde COV intégrée, par exemple) est dans l'éventail défini au préalable. L'unité démarre toujours en mode air secondaire, qui est plus efficace en énergie.

Dimensions nominales

  • 1640 × 400 × 800 mm (B × H × T)

Description

Modèles

  • SCHOOLAIR-D - débit d'air : 150, 200, 250 et 300 m³/h, avec échangeur à plaques pour la récupération de chaleur

Exécution

  • Peinture par poudrage RAL 9005, noir

Accessoires utiles

  • Système de régulation modulaire FSL-CONTROL II, spécifiquement adapté aux systèmes de ventilation décentralisés
  • Flexibles de raccordement

Caractéristiques de construction

  • 2 ventilateurs EC éco-énergétiques, faibles puissances spécifiques du ventilateur, SFP = 1 suivant EN 13779
  • L'air est soufflé dans la pièce sous la forme d'un flux à déplacement d'air induit depuis les fentes de soufflage
  • L'air est extrait par les fentes

Matériaux et finitions

  • Caisson, plaque de plafond, façade de la zone de filtration, ventilateurs et crochet de suspension en tôle d'acier galvanisé
  • Batterie avec tubes en cuivre et ailettes en aluminium
  • Récupération de chaleur - Échangeur thermique à plaque
  • Caisson peint par poudrage, noir (RAL 9005)
  • Média filtrant F7 composé de papier en fibre de verre résistant à l'humidité.
  • Revêtement en laine minérale suivant DIN 4102, classe de résistance au feu A, revêtue de tissu en fibres de verre pour la protection contre l'usure due aux vitesses d'air jusqu'à 20 m/s
  • Bandes d'étanchéité à alvéole fermée
  • Plaque de plafond peint par poudrage blanc pur (RAL 9010)
  • Fentes de soufflage et de reprise en aluminium, lamelles en polystyrène

Normes et directives

  • Les unités de ventilation de façade de type SCHOOLAIR-D sont conformes aux normes VDI 6035 et VDMA 24390
  • Certificat d'hygiène conforme à VDI 6022
  • Fluide de chauffage/refroidissement conforme à VDI 2035
  • Conforme aux exigences de la directive UE 1253/2014 (ErP)

Maintenance

  • VDI 6022 Partie 1 applicable (Hygiène des systèmes de conditionnement d'air)
  • La batterie peut être nettoyée avec un aspirateur industriel, le cas échéant
  • Elle peut également être nettoyée à l'aide de produits de nettoyage usuels et non agressifs.

Modèles

  • SCHOOLAIR-D - débit d'air : 150, 200, 250 et 300 m³/h, avec échangeur à plaques pour la récupération de chaleur

Exécution

  • Peinture par poudrage RAL 9005, noir

Accessoires utiles

  • Système de régulation modulaire FSL-CONTROL II, spécifiquement adapté aux systèmes de ventilation décentralisés
  • Flexibles de raccordement

Caractéristiques de construction

  • 2 ventilateurs EC éco-énergétiques, faibles puissances spécifiques du ventilateur, SFP = 1 suivant EN 13779
  • L'air est soufflé dans la pièce sous la forme d'un flux à déplacement d'air induit depuis les fentes de soufflage
  • L'air est extrait par les fentes

Matériaux et finitions

  • Caisson, plaque de plafond, façade de la zone de filtration, ventilateurs et crochet de suspension en tôle d'acier galvanisé
  • Batterie avec tubes en cuivre et ailettes en aluminium
  • Récupération de chaleur - Échangeur thermique à plaque
  • Caisson peint par poudrage, noir (RAL 9005)
  • Média filtrant F7 composé de papier en fibre de verre résistant à l'humidité.
  • Revêtement en laine minérale suivant DIN 4102, classe de résistance au feu A, revêtue de tissu en fibres de verre pour la protection contre l'usure due aux vitesses d'air jusqu'à 20 m/s
  • Bandes d'étanchéité à alvéole fermée
  • Plaque de plafond peint par poudrage blanc pur (RAL 9010)
  • Fentes de soufflage et de reprise en aluminium, lamelles en polystyrène

Normes et directives

  • Les unités de ventilation de façade de type SCHOOLAIR-D sont conformes aux normes VDI 6035 et VDMA 24390
  • Certificat d'hygiène conforme à VDI 6022
  • Fluide de chauffage/refroidissement conforme à VDI 2035
  • Conforme aux exigences de la directive UE 1253/2014 (ErP)

Maintenance

  • VDI 6022 Partie 1 applicable (Hygiène des systèmes de conditionnement d'air)
  • La batterie peut être nettoyée avec un aspirateur industriel, le cas échéant
  • Elle peut également être nettoyée à l'aide de produits de nettoyage usuels et non agressifs.

Information technique

Fonction, Données techniques , Sélection rapide, Texte descriptif, Codes de commande

  • Fonction
  • Données techniques
  • Sélection rapide
  • Texte descriptif
  • Codes de commande

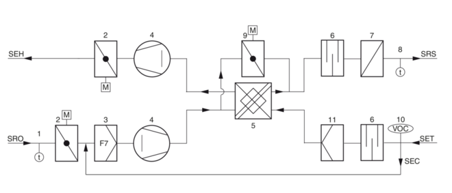
Fonctionnement

Unités décentralisées de soufflage et reprise pour la ventilation des locaux et la dissipation des charges en chaud et en froid.

Un ventilateur centrifuge EC aspire l'air neuf qui passe ensuite par le clapet motorisé et le filtre F7.

L'air neuf, entraîné par le ventilateur, traverse la batterie pour la récupération de chaleur; Il est possible de contourner la batterie de récupération pour le protéger ou pour favoriser son efficacité énergétique.

Si nécessaire, l'air est chauffé ou refroidi par la batterie avant d'être soufflé dans la pièce par la fente de soufflage.

L'air est extrait par la fente d'extraction, passe par un filtre, puis traverse la l'échangeur de chaleur (récupérateur de chaleur), le ventilateur d'extraction et le clapet de fermeture motorisé avant d'être évacué vers l'extérieur sous forme d'air rejeté.

Si la qualité d'air ambiant est bonne, l'unité peut fonctionner en mode secondaire seulement.

Fonctionnement

Unités décentralisées de soufflage et reprise pour la ventilation des locaux et la dissipation des charges en chaud et en froid.

Un ventilateur centrifuge EC aspire l'air neuf qui passe ensuite par le clapet motorisé et le filtre F7.

L'air neuf, entraîné par le ventilateur, traverse la batterie pour la récupération de chaleur; Il est possible de contourner la batterie de récupération pour le protéger ou pour favoriser son efficacité énergétique.

Si nécessaire, l'air est chauffé ou refroidi par la batterie avant d'être soufflé dans la pièce par la fente de soufflage.

L'air est extrait par la fente d'extraction, passe par un filtre, puis traverse la l'échangeur de chaleur (récupérateur de chaleur), le ventilateur d'extraction et le clapet de fermeture motorisé avant d'être évacué vers l'extérieur sous forme d'air rejeté.

Si la qualité d'air ambiant est bonne, l'unité peut fonctionner en mode secondaire seulement.

trox_blau20

Largeur

1640 mm

trox_blau20

Hauteur

400 mm

trox_blau20

Profondeur

800 mm

trox_blau20

Débit d'air neuf

Jusqu'à 300 m³/h

trox_blau20

Débit de soufflage

Jusqu'à 300 m³/h

trox_blau20

Puissance de refroidissement

Jusqu'à 1500 W

trox_blau20

Puissance de chauffage

Jusqu'à 5990 W

trox_blau20

Puissance de refroidissement du local

Jusqu'à 792 W

trox_blau20

Puissance de chauffage du local

Jusqu'à 1984 W

trox_blau20

Pression de fonctionnement maximale, côté eau

6 bar

trox_blau20

Température de fonctionnement max., côté eau

75 °C

trox_blau20

Niveau de puissance acoustique

32 – 47 dB(A)

trox_blau20

Tension d'alimentation

230 V AC ±10 %, 50/60 Hz

trox_blau20

Poids

Approx. 100 kg

Largeur

1640 mm

Hauteur

400 mm

Profondeur

800 mm

Débit d'air neuf

Jusqu'à 300 m³/h

Débit de soufflage

Jusqu'à 300 m³/h

Puissance de refroidissement

Jusqu'à 1500 W

Puissance de chauffage

Jusqu'à 5990 W

Puissance de refroidissement du local

Jusqu'à 792 W

Puissance de chauffage du local

Jusqu'à 1984 W

Pression de fonctionnement maximale, côté eau

6 bar

Température de fonctionnement max., côté eau

75 °C

Niveau de puissance acoustique

32 – 47 dB(A)

Tension d'alimentation

230 V AC ±10 %, 50/60 Hz

Poids

Approx. 100 kg


SCHOOLAIR-D (exemple de dimensionnement) trox_blau20

Débit de soufflage

m³/h

150

200

250

300

trox_blau20

Débit d'air neuf

m³/h

150

200

250

300

trox_blau20

Puissance de refroidissement totale

W

685

911

1150

1350

trox_blau20

Puissance de refroidissement du local

W

401

534

676

792

trox_blau20

Température de l'air à l'intérieur de l'appareil

°C

32,0

32,0

32,0

32,0

trox_blau20

Humidité rel.

%

40,0

40,0

40,0

40,0

trox_blau20

Teneur en eau de l'air sec

g/kg

11,9

11,9

11,9

11,9

trox_blau20

Température de l'air soufflé

°C

18

18

17,9

18,1

trox_blau20

Condensation

g/h

0

0

0

0

trox_blau20

Débit eau froide

l/h

70

110

170

210

trox_blau20

Température de l'eau, entrée

°C

16

16

16

16

trox_blau20

Température de l'eau, sortie

°C

24,4

23,1

21,8

21,5

trox_blau20

Chute de pression – côté eau

kPa

<3

<3

<7

<9

trox_blau20

Puissance de chauffage totale

W

3120

4120

5180

5990

trox_blau20

Puissance de chauffage du local

W

1102

1443

1820

1984

trox_blau20

Température de l'air à l'intérieur de l'appareil

°C

–12,0

–12,0

–12,0

–12,0

trox_blau20

Température de l'air soufflé

°C

43

42,6

42,8

40,8

trox_blau20

Débit eau chaude

l/h

60

90

130

150

trox_blau20

Température de l'eau, entrée

°C

60

60

60

60

trox_blau20

Température de l'eau, sortie

°C

15,2

20,4

25,6

25,5

trox_blau20

Chute de pression – côté eau

kPa

0,8

1,5

2,9

3,7

trox_blau20

Niveau de puissance acoustique LWA

dB(A)

32

38

43

47

trox_blau20

Niveau de pression acoustique basé sur 8 dB d'atténuation du système

dB(A)

24

30

35

39

SCHOOLAIR-D (exemple de dimensionnement)

Débit de soufflage

m³/h

150

200

250

300

Débit d'air neuf

m³/h

150

200

250

300

Puissance de refroidissement totale

W

685

911

1150

1350

Puissance de refroidissement du local

W

401

534

676

792

Température de l'air à l'intérieur de l'appareil

°C

32,0

32,0

32,0

32,0

Humidité rel.

%

40,0

40,0

40,0

40,0

Teneur en eau de l'air sec

g/kg

11,9

11,9

11,9

11,9

Température de l'air soufflé

°C

18

18

17,9

18,1

Condensation

g/h

0

0

0

0

Débit eau froide

l/h

70

110

170

210

Température de l'eau, entrée

°C

16

16

16

16

Température de l'eau, sortie

°C

24,4

23,1

21,8

21,5

Chute de pression – côté eau

kPa

<3

<3

<7

<9

Puissance de chauffage totale

W

3120

4120

5180

5990

Puissance de chauffage du local

W

1102

1443

1820

1984

Température de l'air à l'intérieur de l'appareil

°C

–12,0

–12,0

–12,0

–12,0

Température de l'air soufflé

°C

43

42,6

42,8

40,8

Débit eau chaude

l/h

60

90

130

150

Température de l'eau, entrée

°C

60

60

60

60

Température de l'eau, sortie

°C

15,2

20,4

25,6

25,5

Chute de pression – côté eau

kPa

0,8

1,5

2,9

3,7

Niveau de puissance acoustique LWA

dB(A)

32

38

43

47

Niveau de pression acoustique basé sur 8 dB d'atténuation du système

dB(A)

24

30

35

39


Unité de ventilation typer SCHOOLAIR-D pour une installation plafonnière, pour le soufflage et la reprise d'air, option d'air secondaire (selon la qualité d'air, mode de récupération de chaleur et chauffage, pour un montage sous le plafond près d'un mur extérieur.

Caractéristiques spéciales

  • Ventilation décentralisée pour les hauts débits
  • Batterie air-eau avec système 2 ou 4 tubes, écrou de serrage G½" et joints plats
  • Échangeur à écoulement transversal pour récupération de chaleur, comprenant un clapet by-pass avec servomoteur électrique
  • Clapets de fermeture motorisés pour l'air neuf et l'air évacué, normalement fermés (NC) afin d'éviter des flux d'air incontrôlés
  • Le bac à condensat est utile si la température chute temporairement au-dessous du point de rosée.
  • Plaque de plafond avec cadre réglable en hauteur (jusqu'à +29mm) et fentes intégrées pour le soufflage et la reprise
  • Deux ventilateurs EC efficace en énergie optimisé en acoustique avec faibles puissances spécifiques du ventilateur, SFP-1 suivant EN 13779
  • Conforme aux exigences d'hygiène VDI 6022
  • Récupérateur de chaleur avec by-pass réglable motorisé toute l'année
  • Exécution compacte, et donc particulièrement adaptée aux projets de rénovation
  • Une ventilation à la demande et une ventilation uniquement de reprise sont possibles grâce à la surveillance de la qualité de l'air ambiant et à l'utilisation d'un équipement de régulation spécifique
  • Bascule automatique en mode air secondaire (seulement avec un capteur de qualité d'air) si la qualité de l'air ambiant (mesuré avec la sonde COV intégrée, par exemple) est dans l'éventail défini au préalable. L'unité démarre toujours en mode air secondaire, qui est plus efficace en énergie.

Matériaux et finitions

  • Caisson, plaque de plafond, façade de la zone de filtration, ventilateurs et crochet de suspension en tôle d'acier galvanisé
  • Batterie avec tubes en cuivre et ailettes en aluminium
  • Récupération de chaleur - Échangeur thermique à plaque
  • Caisson peint par poudrage, noir (RAL 9005)
  • Média filtrant F7 composé de papier en fibre de verre résistant à l'humidité.
  • Revêtement en laine minérale suivant DIN 4102, classe de résistance au feu A, revêtue de tissu en fibres de verre pour la protection contre l'usure due aux vitesses d'air jusqu'à 20 m/s
  • Bandes d'étanchéité à alvéole fermée
  • Plaque de plafond peint par poudrage blanc pur (RAL 9010)
  • Fentes de soufflage et de reprise en aluminium, lamelles en polystyrène

Exécution

  • Peinture par poudrage RAL 9005, noir

Données techniques

  • Largeur : 1640 mm
  • Hauteur : 400 mm
  • Profondeur : 800 mm
  • Débit d'air neuf : jusqu'à 300 m³/h
  • Débit de soufflage : jusqu'à 300 m³/h
  • Puissance de refroidissement : jusqu'à 1500 W
  • Puissance de chauffage : jusqu'à 5990 W
  • Puissance de refroidissement du local : jusqu'à 792 W
  • Puissance de chauffage du local : jusqu'à 1984 W
  • Pression de fonctionnement max. : 6 bar
  • Température de fonctionnement max. : 75° C
  • Niveau de puissance acoustique : 32 – 47 dB(A)
  • Tension électrique : 230 V AC ±10 %, 50/60 Hz
  • Poids : approx. 100 kg
  • Classe : 120 VA (unité seulement)
  • Consommation électrique : 59 W à vitesse moyenne (débit nominal)

Caractéristiques de sélection

Air primaire

  • V_________________[m³/h]

Soufflage

  • V_________________[m³/h]

Puissance de refroidissement du local

  • Q_________________[W]

Puissance de chauffage du local

  • Q_________________[W]


  • LWA_______________[dB(A)]

Unité de ventilation typer SCHOOLAIR-D pour une installation plafonnière, pour le soufflage et la reprise d'air, option d'air secondaire (selon la qualité d'air, mode de récupération de chaleur et chauffage, pour un montage sous le plafond près d'un mur extérieur.

Caractéristiques spéciales

  • Ventilation décentralisée pour les hauts débits
  • Batterie air-eau avec système 2 ou 4 tubes, écrou de serrage G½" et joints plats
  • Échangeur à écoulement transversal pour récupération de chaleur, comprenant un clapet by-pass avec servomoteur électrique
  • Clapets de fermeture motorisés pour l'air neuf et l'air évacué, normalement fermés (NC) afin d'éviter des flux d'air incontrôlés
  • Le bac à condensat est utile si la température chute temporairement au-dessous du point de rosée.
  • Plaque de plafond avec cadre réglable en hauteur (jusqu'à +29mm) et fentes intégrées pour le soufflage et la reprise
  • Deux ventilateurs EC efficace en énergie optimisé en acoustique avec faibles puissances spécifiques du ventilateur, SFP-1 suivant EN 13779
  • Conforme aux exigences d'hygiène VDI 6022
  • Récupérateur de chaleur avec by-pass réglable motorisé toute l'année
  • Exécution compacte, et donc particulièrement adaptée aux projets de rénovation
  • Une ventilation à la demande et une ventilation uniquement de reprise sont possibles grâce à la surveillance de la qualité de l'air ambiant et à l'utilisation d'un équipement de régulation spécifique
  • Bascule automatique en mode air secondaire (seulement avec un capteur de qualité d'air) si la qualité de l'air ambiant (mesuré avec la sonde COV intégrée, par exemple) est dans l'éventail défini au préalable. L'unité démarre toujours en mode air secondaire, qui est plus efficace en énergie.

Matériaux et finitions

  • Caisson, plaque de plafond, façade de la zone de filtration, ventilateurs et crochet de suspension en tôle d'acier galvanisé
  • Batterie avec tubes en cuivre et ailettes en aluminium
  • Récupération de chaleur - Échangeur thermique à plaque
  • Caisson peint par poudrage, noir (RAL 9005)
  • Média filtrant F7 composé de papier en fibre de verre résistant à l'humidité.
  • Revêtement en laine minérale suivant DIN 4102, classe de résistance au feu A, revêtue de tissu en fibres de verre pour la protection contre l'usure due aux vitesses d'air jusqu'à 20 m/s
  • Bandes d'étanchéité à alvéole fermée
  • Plaque de plafond peint par poudrage blanc pur (RAL 9010)
  • Fentes de soufflage et de reprise en aluminium, lamelles en polystyrène

Exécution

  • Peinture par poudrage RAL 9005, noir

Données techniques

  • Largeur : 1640 mm
  • Hauteur : 400 mm
  • Profondeur : 800 mm
  • Débit d'air neuf : jusqu'à 300 m³/h
  • Débit de soufflage : jusqu'à 300 m³/h
  • Puissance de refroidissement : jusqu'à 1500 W
  • Puissance de chauffage : jusqu'à 5990 W
  • Puissance de refroidissement du local : jusqu'à 792 W
  • Puissance de chauffage du local : jusqu'à 1984 W
  • Pression de fonctionnement max. : 6 bar
  • Température de fonctionnement max. : 75° C
  • Niveau de puissance acoustique : 32 – 47 dB(A)
  • Tension électrique : 230 V AC ±10 %, 50/60 Hz
  • Poids : approx. 100 kg
  • Classe : 120 VA (unité seulement)
  • Consommation électrique : 59 W à vitesse moyenne (débit nominal)

Caractéristiques de sélection

Air primaire

  • V_________________[m³/h]

Soufflage

  • V_________________[m³/h]

Puissance de refroidissement du local

  • Q_________________[W]

Puissance de chauffage du local

  • Q_________________[W]


  • LWA_______________[dB(A)]

00248718_0

 Type
SCHOOLAIR-D Unités de plafond

 Batterie
2       2-tubes
4       4-tubes

 Dimensions [mm]
       B × H × T
1690 × 400 × 800

 Équipement de régulation
       Sans indication : aucune
R       Avec

 Fonction de régulation
MA       Maître (module de local et module de régulation)
SL       Esclave (module de régulation)

 Horloge en temps réel
       Aucune indication : sans
       maître seulement
T       Avec

 Interface
       Aucune indication : sans
       maître seulement
B       BACnet MS/TP or Modbus RTU
L       LonWorks LON-FTT10

 Sonde de la qualité d'air
       Aucune indication : sans
       maître seulement
V       Capteur COV

 

 Sonde de température de l'air soufflé
Z       Avec

Sonde de température de l'air propre
       Aucune indication : sans
       maître seulement
A       Avec

 Vanne de chauffage
HV       Avec

 Coude de réglage - circuit de chauffage
R       Avec

 Valeur kVS – vanne de chauffage
0,25
0,40
0,63
1,00
F0,50

 Vanne de refroidissement
       Pour les systèmes 4-tubes seulement
KV       avec

 Coude de réglage - circuit de refroidissement
R       Avec

 Valeur kVS – vanne de refroidissement
0,25
0,40
0,63
1,00
F0,50

Les unités de ventilation décentralisées sont des produits de pointe de haute qualité, avec une large gamme d'options de configuration. Pour plus de détails concernant votre projet, veuillez contacter votre succursale ou filiale TROX la plus proche.

 

Dimensions et poids

  • Dimensions et poids
SCHOOLAIR-D 00101324_0.
① Vue depuis le local
② Vue de l'extérieur (façade)
③ Vue latérale
④ Câble 5 m
⑤ Boîte de l'équipement de régulation (hauteur 95 mm)
⑥ Ouverture d'évacuation d'air (SEH)
⑦ Ouverture pour l'air neuf (SRO)


Exemples de montage, Détails d'installation, Information de base et nomenclature

  • Exemples de montage
  • Détails d'installation
  • Information de base et nomenclature
Exemple de montage 00106421_0.


Montage et mise en service

  • Montage sous le plafond et proche d'un mur extérieur
  • L'unité de ventilation est équipée de deux supports de fixation à visser dans le système en façade ou un mur extérieur.
  • Protection contre les intempéries pour les entrées d'air neuf et d'évacuation fourni par des tiers
  • Le raccordement à l'air neuf est fourni par les sections de ventilation dans le système de façade ou le mur extérieur (fourni par des tiers), en pente vers l'extérieur de préférence
  • Surface libre des ouvertures de ventilation: 0,04 - 0,05 m² pour chaque ouverture
  • Montage et raccordements à réaliser sur site ; le matériel de fixation, de raccordement et d'étanchéité sera fourni sur site
  • Les raccordements eau aller et retour se situent au sur le côte gauche de l'unité lorsque l'on regarde du local
  • Évents et vidange par des tiers
  • Le raccordement électrique se situe à gauche de l'unité lorsque l'on regarde du local
  • L'habillage de l'allège ne doit pas gêner le montage ou démontage de l'unité ou l'accès à la maintenance sur l'avant de l'unité.

Montage et mise en service

  • Montage sous le plafond et proche d'un mur extérieur
  • L'unité de ventilation est équipée de deux supports de fixation à visser dans le système en façade ou un mur extérieur.
  • Protection contre les intempéries pour les entrées d'air neuf et d'évacuation fourni par des tiers
  • Le raccordement à l'air neuf est fourni par les sections de ventilation dans le système de façade ou le mur extérieur (fourni par des tiers), en pente vers l'extérieur de préférence
  • Surface libre des ouvertures de ventilation: 0,04 - 0,05 m² pour chaque ouverture
  • Montage et raccordements à réaliser sur site ; le matériel de fixation, de raccordement et d'étanchéité sera fourni sur site
  • Les raccordements eau aller et retour se situent au sur le côte gauche de l'unité lorsque l'on regarde du local
  • Évents et vidange par des tiers
  • Le raccordement électrique se situe à gauche de l'unité lorsque l'on regarde du local
  • L'habillage de l'allège ne doit pas gêner le montage ou démontage de l'unité ou l'accès à la maintenance sur l'avant de l'unité.

LN [mm]

Longueur nominale

LWA [dB(A)]

Niveau de puissance acoustique

tPr [°C]

Température de l'air primaire

tWV [C°]

Température de l'écoulement d'eau - refroidissement/chauffage

tR [C°]

Température de la pièce

tR [C°]

Température de la pièce

tAN [C°]

Température de l'arrivée d'air secondaire

QPr [W]

Rendement thermique – air primaire

Qtot [W]

Rendement thermique – total

QW [W]

Rendement thermique – côté eau, refroidissement/chauffage

VPr [l/s]

Débit d'air primaire

VPr [m³/h]

Débit d'air primaire

VW [l/h]

Débit d'eau – refroidissement/chauffage

V [l/h]

Débit d'air

∆tW [K]

Écart de température – eau

∆pW [kPa]

Perte de pression, côté eau

∆pt [Pa]

Perte de charge totale, côté air

∆tPr = tPr - tR [K]

Écart entre la température de l'air primaire et la température de la pièce

∆tRWV = tWV - tR [K]

Écart entre la température de l'écoulement d'eau et la température de la pièce

∆tWm-Ref [K]

Écart entre la température moyenne de l'eau et la température de référence

LN [mm]

Longueur nominale

Déplacement d'air induit

L’air soufflé est rejeté près du mur extérieur à une vitesse moyenne comprise entre 1,0 et 1,5 m/s. En raison de l'effet d'induction, la vitesse de l'air soufflé baisse rapidement afin qu'en mode refroidissement, l'air soufflé déplace l'air ambiant sur toute la surface du sol. La convection de personnes et d'autres sources de chaleur fait monter l'air neuf et crée des conditions confortables dans la zone de séjour.

LN [mm]

Longueur nominale

LWA [dB(A)]

Niveau de puissance acoustique

tPr [°C]

Température de l'air primaire

tWV [C°]

Température de l'écoulement d'eau - refroidissement/chauffage

tR [C°]

Température de la pièce

tR [C°]

Température de la pièce

tAN [C°]

Température de l'arrivée d'air secondaire

QPr [W]

Rendement thermique – air primaire

Qtot [W]

Rendement thermique – total

QW [W]

Rendement thermique – côté eau, refroidissement/chauffage

VPr [l/s]

Débit d'air primaire

VPr [m³/h]

Débit d'air primaire

VW [l/h]

Débit d'eau – refroidissement/chauffage

V [l/h]

Débit d'air

∆tW [K]

Écart de température – eau

∆pW [kPa]

Perte de pression, côté eau

∆pt [Pa]

Perte de charge totale, côté air

∆tPr = tPr - tR [K]

Écart entre la température de l'air primaire et la température de la pièce

∆tRWV = tWV - tR [K]

Écart entre la température de l'écoulement d'eau et la température de la pièce

∆tWm-Ref [K]

Écart entre la température moyenne de l'eau et la température de référence

LN [mm]

Longueur nominale

Déplacement d'air induit

L’air soufflé est rejeté près du mur extérieur à une vitesse moyenne comprise entre 1,0 et 1,5 m/s. En raison de l'effet d'induction, la vitesse de l'air soufflé baisse rapidement afin qu'en mode refroidissement, l'air soufflé déplace l'air ambiant sur toute la surface du sol. La convection de personnes et d'autres sources de chaleur fait monter l'air neuf et crée des conditions confortables dans la zone de séjour.

Batterie

La pression de fonctionnement maximale côté eau est de 6 bar pour tous les échangeurs de chaleur.

La température maximale de l'écoulement d'eau (circuit de chauffage) est de 75 °C pour tous les échangeurs thermiques ; si des flexibles sont utilisés, la température de l'écoulement d'eau ne doit pas dépasser 55 °C. Des unités sont disponibles sur demande pour d'autres pressions et températures.

La température de l'écoulement d'eau (circuit de refroidissement) doit être d'au moins 16 °C afin qu'elle ne tombe pas sous le point de rosée de façon permanente. Pour les unités équipées d'un bac à condensat, la température de l'écoulement d'eau peut être réduite à 15 °C.

Echangeur de chaleur avec système à 2 tubes

Des systèmes air-eau avec un échangeur de chaleur à 2 tubes peuvent être utilisés aussi bien pour le chauffage que pour le refroidissement. En mode change-over, il est possible d'utiliser toutes les unités dans un circuit d'eau, uniquement pour le refroidissement en été et pour le chauffage en hiver.

Échangeur de chaleur avec système à 4 tubes

Des systèmes air-eau avec un échangeur de chaleur à 4 tubes peuvent être utilisés aussi bien pour le chauffage que pour le refroidissement. Selon la saison, notamment au printemps et à l'automne, il se peut qu'un bureau nécessite d'être chauffé le matin et rafraîchi l'après-midi.

Téléchargements

Information produit

Certificats

Manuels d'utilisation

production {"x-frame-options"=>"SAMEORIGIN", "x-xss-protection"=>"0", "x-content-type-options"=>"nosniff", "x-permitted-cross-domain-policies"=>"none", "referrer-policy"=>"strict-origin-when-cross-origin", "strict-transport-security"=>"max-age=31536000; includeSubDomains", "content-type"=>"text/html; charset=utf-8", "link"=>"</assets/application-efbc495b06ca980ef13dc743756002fce2f413f798fecb64c7f0c81954c16402.css>; rel=preload; as=style; nopush,</assets/print-fec2e47d6d8dcc5d4c101139f17046ba981ca1c12f71e7e403fba50cc7584175.css>; rel=preload; as=style; nopush,</assets/other_js/modernizr.custom.93544-c26374a79d804901074bb4aa6fd3fa44ea22e840389915d2adce16b024021ef3.js>; rel=preload; as=script; nopush,</assets/other_js/js.cookie.min-de103d86d1919b40950f791699b4ce768137fde41af09b35ff92bde369732183.js>; rel=preload; as=script; nopush,</assets/other_js/jquery-3.5.1-2c4ce18a1a3f144c333912efc24a76c9a165a0dba9f88a499985df1af0a196a2.js>; rel=preload; as=script; nopush"}

Partager la page

Recommander cette page

Vous avez la possibilité de recommander cette page en partageant le lien.

Les champs marqués d'une étoile (*) sont obligatoires.

Contact

Merci pour votre message !

Votre recommandation a été envoyée et sera bientôt reçue par le destinataire.

Contact

Nous sommes à votre disposition

Veuillez spécifier le sujet de votre requête et vos coordonnées.
Tel.: +33 1 56 70 54 54

Pièce jointe (max. 10MB)

Les champs marqués d'une étoile (*) sont obligatoires.

Contact

Merci pour votre message !

Votre message a été reçu par le Centre de Service et est en cours de traitement.
Notre département des demandes de service vous contactera sous peu.
Si vous avez des questions d'ordre général sur nos produits et services, vous pouvez également nous contacter à l'adresse suivante:
Tél .: +49 (0) 2845 2020 | Fax: +49 (0) 2845 202265

Contact

Nous sommes à votre disposition

Veuillez spécifier le sujet de votre requête et vos coordonnées.
Tel.: +33 1 56 70 54 54

Pièce jointe (max. 10MB)

Les champs marqués d'une étoile (*) sont obligatoires.

Contact

Merci pour votre message !

Votre message a été reçu par le Centre de Service et est en cours de traitement.
Notre département des demandes de service vous contactera sous peu.
Si vous avez des questions d'ordre général sur nos produits et services, vous pouvez également nous contacter à l'adresse suivante:
Tél .: +49 (0) 2845 2020 | Fax: +49 (0) 2845 202265