A00000075513_img_02psd.png
FSL-CONTROL IIIpour les unités de ventilation décentralisée
TROX_Logo_100_Frischluftpng.png
Le fonctionnement de l'air extérieur peut être réglé à l'aide du panneau de commande, X-TAIRMINAL ou du système centralisé de gestion des bâtiments

Le fonctionnement de l'air extérieur peut être réglé à l'aide du panneau de commande, X-TAIRMINAL ou du système centralisé de gestion des bâtiments

M171-72_62420_CPSCT17003A_edited_by_Msp_20210218psd.psd.link
Panneau de commande numérique pour montage en surface, type Schneider

Panneau de commande numérique comprenant un capteur de température et feu de signalisation CO2

Référence : A00000086157

SR3653904_img_01psd.png
Panneau de commande sans sélecteur pour montage en surface

Panneau de commande pour le montage encastré, interrupteurs de la gamme Busch Jäger Futura linear, par exemple

Référence : A00000079779

WebserverJPG.jpg

Exploitation et réglage via le serveur Internet

A00000035196_img_01psd.png
Valve de régulation de pression indépendante

Valve de régulation de pression indépendante

Référence : A000000355196

A00000075513_img_02psd.png
TROX_Logo_100_Frischluftpng.png
M171-72_62420_CPSCT17003A_edited_by_Msp_20210218psd.psd.link
SR3653904_img_01psd.png
WebserverJPG.jpg
A00000035196_img_01psd.png

FSL-Control III

Équipement de régulation autonome pour une pièce, en particulier pour les unités de ventilation décentralisées avec communication avec le système centralisé de gestion des bâtiments en option.

 


Système de régulation de pièce individuelle convivial comme solution prête à l'emploi : peut être associé à des unités de ventilation en façade pour fournir une ventilation à la demande et permettre la régulation des composants côté eau des circuits de chauffage et de refroidissement.


  • Récupération de chaleur variable toute l'année - pour un volume d'air frais maximal, même en hiver
  • Alimentation en air frais guidé par le COou les COV de la pièce, en fonction des besoins, régulation individuelle simultanée de la température
  • 100 % d'air frais sur simple pression d'un bouton
  • Fonctionnement silencieux sur simple pression d'un bouton
  • Ventilation de purge sur simple pression d'un bouton
  • Réglage individuel de la qualité de l'air intérieur
  • Intégration de systèmes secondaires, par ex. plafonds chauffants ou rafraîchissants
  • Régulateur de température ambiante ou alimentation en air frais isotherme
  • Configuration aisée des appareils via un serveur Internet - aucun logiciel d'exploitation requis
  • Fonctionnement en parallèle avec hottes aspirantes

Information générale

Application

  • Système individuel de régulation à associer aux unités de ventilation décentralisée de TROX
  • Système de pilotage de pièce unique pré-câblé, prêt à raccorder, soit comme partie intégrante, soit dans un boîtier d'équipement à pilotage distinct
  • Câblage interne en usine et testé individuellement avant livraison
  • Régulation de toutes les fonctions de l'unité de ventilation décentralisée
  • Stratégies de régulation individuelles
  • Fonctionnement également possible sans périphériques externes : configuration – connexion – air frais
  • Intégration économique dans le système centralisé de gestion des bâtiments
  • Serveur Internet préconfiguré pour plus d'informations et de réglages
  • De nombreuses unités décentralisées peuvent être mises en œuvre, mais toujours le même régulateur et toujours les mêmes points de données



Caractéristiques spéciales

  • Intégration simple dans le système centralisé de gestion des bâtiments via l'interface RS485 ou Ethernet
  • Configuration aisée des appareils via un serveur Internet - aucun logiciel d'exploitation requis
  • Combinaison maître-esclave possible (max. 10 esclaves par maître)
  • Bascule automatique et efficace en énergie entre les modes air propre et air secondaire (basé sur la qualité d'air, selon l'unité)
  • Registre de dérivation variable pour la régulation de la récupération de chaleur
  • Récupération de chaleur tout au long de l'année
  • Intégration économique dans le système centralisé de gestion des bâtiments - la réduction des points de données améliore la vue d'ensemble et l'exploitabilité
  • Lecture des données esclaves via l'interface du système centralisé de gestion des bâtiments du maître – nombre de participants au bus considérablement réduit
  • Réseau intégré pour toutes les pièces - tous les appareils de la pièce fonctionnent de la même façon avec une seule connexion au système centralisé de gestion des bâtiments
  • 13 contacts de commutation numériques pour la connexion de périphériques fournis par des tiers et pour des commandes et une surveillance simples d'ordre supérieur
  • Enregistrement continu des données internes - surveillance rétrospective, analyse des erreurs et optimisation opérationnelle
  • Mise à jour du logiciel et réglage des paramètres via une connexion IP depuis un emplacement central sur tous les appareils
  • Diagnostic à distance par connexion IP



Modèles

Équipements et accessoires en option

  • Divers capteurs, par ex. capteur de température, d'humidité ou de qualité de l'air intérieur
  • Horloge en temps réel pour la mise en œuvre de modes de fonctionnement dépendants du temps (7 profils différents, 10 points de commutation par profil)
  • Communication de bus possible via
    • Modbus RTU
    • Modbus TCP
    • BACnet MS/TP
    • BACnet/IP
  • Panneau de commande numérique avec logiciel spécifique au projet
  • Panneaux de commande analogiques (peuvent être intégrés à différents programmes de commutation)
  • Moteurs de valves électriques
  • Valves d'équilibrage et de régulation (indépendant de la pression)
  • Batterie de réchauffage électrique (seulement SCHOOLAIR-V-HV-EH)



Normes et directives

  • Certifié CE
  • CEI 61000-4-11
  • CEI 61000-4-5
  • EN 60730-1
  • UL 60730-1
  • EN 60068-2-6 Fc
  • UL 60730-2-9
  • CEI 61000-4-6
  • CAN/CSA-E60730-1
  • CSA E60730-2-9
  • CEI 61000-4-4
  • EN 60068-2-27
  • EN 60730-2-9
  • CEI 61000-4-2
  • CEI 61000-4-3
  • EN 55011
  • DE EN 61000-3-2
  • DE EN 61000-3-3
  • DIN EN 61000-6-2



Exécution



  • Selon le modèle d'unité, les composants de régulation sont soit insérés dans l'unité soit dans une boîte séparée



Matériaux et finitions

  • Caisson en tôle d'acier, peinture par poudrage RAL 9005 (sauf si déjà intégré dans l'unité de ventilation décentralisée)



Fonctionnement



Chaque unité de ventilation décentralisée possède son propre régulateur. Celui-ci commande toutes les fonctions nécessaires au fonctionnement, par ex. fournissant le signal de commande pour les ventilateurs et les servomoteurs. Grâce à la configuration et aux extensions logicielles et matérielles spéciales, le régulateur existant est transformé en un régulateur maître requis au moins une fois dans la pièce. Des entrées et interfaces supplémentaires permettent la connexion des composants qui sont requis pour la régulation du local. Le régulateur maître peut être étendu à l'aide de l'interface RTC avec une minuterie ou de l'interface Modbus RTU, Modbus TCP, BACnet MS/TP ou BACnet IP pour la connexion à un système centralisé de gestion des bâtiments tiers.



Description


Information technique

Fonction, Caractéristiques techniques, Texte de spécification, Codes de commande

  • Fonction
  • CARACTÉRISTIQUES TECHNIQUES
  • TEXTE DE SPÉCIFICATION
  • Codes de commande

Le FSL-CONTROL III, requis pour chaque unité de ventilation décentralisée, régule toutes les fonctions nécessaires à l'exploitation, par exemple fournir un signal de contrôle aux ventilateurs et servomoteurs. Grâce à la configuration et aux extensions logicielles et matérielles spéciales, le régulateur existant est transformé en un régulateur maître requis au moins une fois dans la pièce. Des entrées et interfaces supplémentaires permettent la connexion des composants qui sont requis pour la régulation du local. Le régulateur maître peut être étendu à l'aide de l'interface RTC avec une minuterie ou de l'interface Modbus RTU, Modbus TCP, BACnet MS/TP ou BACnet IP pour la connexion à un système centralisé de gestion des bâtiments tiers.


Température de fonctionnement-20 – 60 °C
Humidité relative5 – 95 %, sans condensation
Pression de l'air> 700 hPa
Température de stockage-30 à 70 °C
Consommation d'énergie (selon l'équipement)14 W

Texte de spécification

FSL-CONTROL III est décrit comme un équipement de pilotage de pièce unique autonome avec une simple minuterie. Des extensions optionnelles, telles que la connexion au système centralisé de gestion des bâtiments (fournis par des tiers) via Modbus ou BACnet, des capteurs d'humidité, des capteurs de température de retour, des actionneurs de vannes électromotrices ou des vannes de régulation indépendantes de la pression font partie de la gamme de produits, mais doivent être remplacés par les composants standard dans la description suivante. Un signal de température ambiante est également nécessaire. Divers panneaux de commande et capteurs de pièce sont disponibles à cet effet. L'équipement optionnel correspondant figure dans l'annexe de l'équipement standard suivant pour le fonctionnement autonome.

Module de pilotage TROX FSL-CONTROL III (code de commande ... -C3-MA ...)

Régulateur individuel pour montage sur rail DIN dans l'appareil ou dans un boîtier de pilotage séparé. 42 entrées et sorties numériques ou analogiques. Carte MicroSD comme mémoire flash intégrée. Les données de tendance y sont stockées et sont accessibles via la prise de service RJ45 ou en option via Ethernet. Équipé en usine d'un progiciel pour unités maîtresses spécialement développé pour les unités de ventilation décentralisées. Le logiciel permet une communication maître-esclave simple via Modbus RTU. Jusqu'à 10 appareils esclaves peuvent être connectés à un appareil maître. Le logiciel propose 3 types de fonctionnement (Arrêt, Automatique et Manuel), 3 modes de fonctionnement (Occupé, Inoccupé et Veille) et 4 modes de forçage de fonctionnement (Boost, Classe, Ventilation nocturne et Circuit forcé ventilateur).
Distinction fondamentale entre la régulation de température ambiante en contrôlant les vannes de chauffage et de refroidissement ou le clapet de contournement continu ou la régulation de la température de l'air soufflé pour la ventilation isotherme. Contrôle de la qualité de l'air par COou COV. Utilisation de la récupération de chaleur toute l'année.

Serveur Internet intégré pour une configuration, une mise en service et une surveillance à distance simples de l'unité.

Surveillance du filtre
 Entrées numériques configurables (DI), par ex. pour la connexion (par des tiers) du capteur PIR, des contacts de fenêtre, de la commutation vacances, etc. Signaux d'alarme de type A (extinctions) et de type B (notifications).

Horloge en temps réel (code de commande ...-T/...)
Composant du progiciel maître. Active une minuterie simple, 7 jours avec 10 points de commutation chacun. Changement automatique été/hiver. Activation temporelle de la purge nocturne.

Capteur de CO2 (code de commande .../C/...)
Capteur disposé dans l'entrée de reprise de l'unité maître pour l'enregistrement de la qualité de l'air intérieur et le pilotage correspondant du débit d'air extérieur. Mesure via un capteur NDIR à fonctionnement infrarouge et qui compense toute contamination par son principe de mesure à 2 faisceaux. Plage de mesures 0 – 2.000 ppm.

Capteur COV (code de commande .../V/...)
Capteur disposé dans l'entrée de reprise de l'unité maître pour l'enregistrement de la qualité de l'air intérieur et le pilotage correspondant du débit d'air extérieur. Mesure via un capteur d'oxyde métallique micro avec étalonnage automatique régulier. Plage de mesures 0 – 2.000 ppm CO2 équivalent.

Capteur de température d'air soufflé (code de commande .../Z/...)
Capteur de température d'air soufflé avec thermistance NTC comme élément sensible, résistance 10 kΩ à 25 °C, plage de mesures 0 – 50 °C. Temps de réponse particulièrement rapide grâce à la pointe de mesure perforée.

Capteur de température d'air frais (code de commande .../A/...)
 Capteur de température d'air frais avec thermistance NTC comme élément de détection, résistance 10 kΩ à 25 °C, plage de mesures -30 – 50 °C.

Composants côté eau (code de commande .../HV-R- .../KV-R- …)
Servomoteurs :
1 × / 2 × servomoteur thermoélectrique pour l'ouverture et la fermeture de vannes, avec indicateur de position, y compris puissance raccordée, tension électrique CC 24 V, tension de commande CC 0 - 10 V, puissance absorbée 1 W, indice de protection : IP 54.
Vannes droites :
1 × / 2 × petite vanne droite 1/2" standard, prémontée manuellement, PN 16, DN 10, kvs 0,4 (alternativement 0,25, 0,63 ou 1,0 m³/h – veuillez indiquer la valeur kvs requise), raccord fileté G 1 /2B, température du fluide de service 1 – 110 °C.
Coudes de réglage :
1 × / 2 × coude de réglage des deux côtés 1/2", prémonté manuellement, diamètre nominal DN 15 ; 1/2", corps de vanne droit traversant avec filetage mâle des deux côtés, joint plat, pour restriction et fermeture, température de service maximum 120 °C.

Panneaux de commande TROX pour FSL-CONTROL III

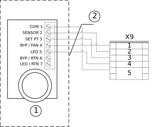
Il faut au moins un signal de température ambiante par pièce. Il existe un certain nombre de variantes des panneaux de commande TROX, au choix avec ou sans sélecteur. En outre, nous proposons un capteur de température ambiante RTF sans éléments de régulation. Les autres panneaux de commande alternatifs fournis par le client doivent être connectés via la communication par bus.

Panneau de commande numérique pour montage en surface

Pour le fonctionnement et le réglage des unités de ventilation. Livré en vrac comme accessoire. Logiciel spécifique au projet comprenant un dispositif de réglage de la valeur du point de consigne, divers affichages d'état, un sélecteur, un feu de circulation CO2. Écran couleur tactile 3,5" 320 × 240 pixels. Capteur : NTC 10 kΩ, indice de protection IP : IP 20, installation : montage mural ou sur boîtier d'encastrement.

Type Schneider TM172DCLWT : dimensions (H × L × P) : 120 × 86 × 25 mm, poids : 340 g, couleur : blanc. Autres cadres design disponibles en option. Alimentation électrique : 24 VCC, consommation électrique : 3,2 VA/1,3 W. Connexion à l'unité maître via la ligne série Modbus.

Panneau de commande avec sélecteur pour montage en surface

Pour la commande manuelle des unités de ventilation.
Livré séparément comme pièce supplémentaire, bouton poussoir, régulateur de valeur de consigne, LED d'état, interrupteur à 5 niveaux (Arrêt, 1, 2, 3, Automatique), capteur : NTC 20 kΩ, indice de protection IP : IP 20, installation : montage mural ou sur boîtier encastré standard

Type Honeywell : dimensions (H × L × P) : 104 × 99 × 30 mm, couleur : blanc/bleu

Type Thermokon : dimensions (H × L × P) : 84,5 × 84,5 × 25 mm, couleur : blanc pur

Panneau de commande sans sélecteur pour montage en surface

Pour la commande manuelle des unités de ventilation.
Livré séparément comme pièce supplémentaire, bouton poussoir, réglage de la valeur de consigne, LED d'état, capteur : NTC 10 kΩ, indice de protection IP : IP 20, installation : murale ou sur boîtier d'encastrement 70 mm, dimensions (L × H × P) : 84 × 116 × 24 mm, couleur : gris clair/blanc.

Capteur de température ambiante TROX RTF3 pour montage en surface
Livré séparément comme pièce supplémentaire, capteur d'ambiance sans éléments de commande, capteur : NTC 10 kΩ, indice de protection IP : IP 20, installation : montage mural ou sur boîtier d'encastrement 70 mm, dimensions (L x H x P) 85 x 85 x 30 mm, couleur : RAL 9010.

Panneau de commande sans étage du ventilateur pour montage encastré

Pour la commande manuelle des unités de ventilation avec un aspect qualitatif et le cadre design assorti d'une large gamme de programmes commutation, l'unité convient aux installations particulièrement axées sur le design.
Livré séparément comme pièce supplémentaire, avec affichage du mode par LED, bouton poussoir, régulateur de valeur de consigne, capteur : NTC 20 kΩ, indice de protection IP : IP 20, installation dans un boîtier encastré standard.

Programmes de commutation disponibles : Berker S.1, Berker Q.3, Busch Jäger Future linear

Autres programmes de commutation sur demande.

Panneau de commande sans sélecteur d'étage et sans régulateur de la valeur de consigne pour montage encastré

Pour la commande manuelle des unités de ventilation avec un aspect qualitatif et le cadre design assorti d'une large gamme de programmes commutation, l'unité convient aux installations particulièrement axées sur le design.
 Livré séparément comme pièce supplémentaire, avec affichage du mode par LED, bouton poussoir, capteur : NTC 20 kΩ, indice de protection IP : IP 20, installation dans un boîtier encastré standard

Programmes de commutation disponibles : Gira E2

Autres programmes de commutation sur demande

Équipements en option pour améliorer le confort du FSL-CONTROL III

Servomoteur de vanne électromotrice
 Comme alternative au servomoteur thermoélectrique de série : servomoteur thermoélectrique 1 ×/2 × pour l'ouverture et la fermeture des vannes, tension électrique 24 V AC/DC, puissance absorbée maximale 2,5 VA, signalisation du signal de commande 0 – 10 V DC, température de fluide admissible 1 - 110°C.

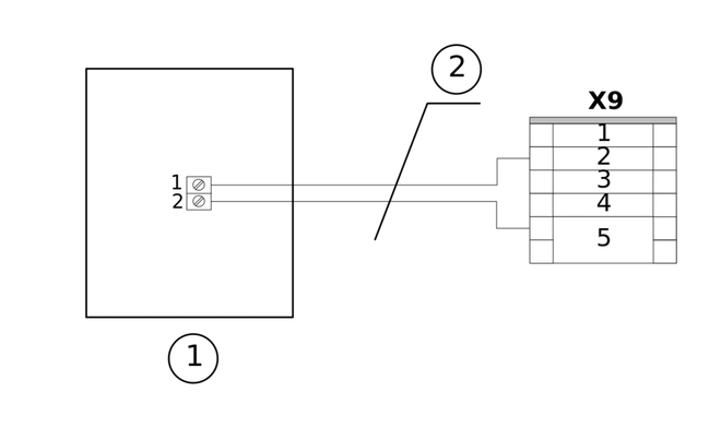
Valve de régulation de pression indépendante
 Comme alternative à la petite vanne droite de série : 1 x / 2 x vanne de régulation indépendante de la pression, pré-assemblée manuellement, avec régulation d'ouverture et de fermeture modulante en combinaison avec un régulateur de débit dynamique réglable de l'extérieur, avec pleine autorité de vanne , diamètre nominal DN 10, ½", corps de vanne droit traversant avec filetage mâle des deux côtés, joint plat, température du fluide 0 - 120 °C.

Interface pour la connexion au système centralisé de gestion des bâtiments fournis par des tiers
 Pour augmenter le confort, nous recommandons l'intégration dans un système centralisé de gestion des bâtiments fournis par des tiers.
Interfaces disponibles :

  • Modbus TCP (Ethernet) avec serveur Internet (code de commande.../MT/...)
  • Modbus RTU (RS 485) avec serveur Internet (code de commande .../MR/...)
  • BACnet IP (Ethernet) avec serveur Internet (code de commande .../BI/...)
  • BACnet MS/TP (RS 485) avec serveur Internet (code de commande .../BM/...)

Mise en service

  • Nous recommandons la mise en service par notre service technique.


C3MATMT/C/Z/A/HVR0,4/KVR0,63
| | | | | | | ||||| |
1 2 3 4 5 6 7 89101112 13
1 Accessoires
C3 Avec FSL-CONTROL III
 
2 Variante
MA Maître
SL Esclave
 
3 Horloge en temps réel, uniquement maître
Pas d'indication nécessaire : aucune
T Avec
 
4 Interface
Pas d'indication nécessaire : aucune
MR Avec Modbus RTU
MT Avec Modbus TCP
BI Avec BACnet IP
BM Avec BACnet MS/TP
 
5 Capteur de qualité d'air, uniquement maître
Pas d'indication nécessaire : aucune
C Avec capteur de CO2
V Avec capteur COV
 
6 Capteur de température de l'air soufflé
Pas d'indication nécessaire : aucune
Z Avec
 
7 Capteur de température de l'air extérieur, uniquement maître
Pas d'indication nécessaire : aucune
A Avec
 
8 Vanne – circuit de chauffage
Pas d'indication nécessaire : aucune
HV Avec
 
9 Coude de réglage – circuit de chauffage
Pas d'indication nécessaire : aucune
R Avec
 
10 Valeur kVS – vanne de chauffage
0,25 Soupape droite
0,40 Soupape droite
0,63 Soupape droite
1,00 Soupape droite
F0,50 Valve de régulation de pression indépendante
 
11 Vanne de refroidissement
Uniquement systèmes à 4 tubes
KV Avec
 
12 Coude de réglage - circuit de refroidissement
R Avec
 
13 Valeur kVS - vanne de refroidissement
0,25 Soupape droite
0,40 Soupape droite
0,63 Soupape droite
1,00 Soupape droite
F0,50 Valve de régulation de pression indépendante

Câblage

  • CÂBLAGE

Information générale

Utiliser uniquement les câbles conçus pour la tension électrique à laquelle ils sont destinés. La longueur et la section transversale ainsi que la résistance de contact peuvent accroître les pertes de tension. La puissance nominale de chaque unité de ventilation décentralisée conformément au tableau suivant doit également être prise en compte.

Un électricien qualifié doit sélectionner correctement les types et tailles de câbles. Cette tâche doit être accomplie uniquement par un installateur électrique spécialisé. Les puissances raccordées sont énumérées ci-dessous.

Puissances raccordées

Pose de seuil horizontal

  • FSL-B-ZAB/SEK : puissance apparente 234 VA
  • FSL-B-ZAB+SEK : puissance apparente 255 VA
  • SCHOOLAIR-B : puissance apparente 238 VA
  • SCHOOLAIR-B-HE : puissance apparente 547 VA
  • SCHOOLAIR-B-HV : puissance apparente 617 VA

 

Pose de seuil vertical

  • SCHOOLAIR-V-2L : puissance apparente 226 VA
  • SCHOOLAIR-V-4L : puissance apparente 226 VA
  • SCHOOLAIR-V-1800 : puissance apparente 217 VA
  • SCHOOLAIR-V-HE : puissance apparente 592 VA
  • SCHOOLAIR-V-HV : puissance apparente 647 VA
  • SCHOOLAIR-V-HV-EH : puissance apparente 2247 VA

 

Montage au plafond

  • FSL-D-ZAB/SEK : puissance apparente 197 VA
  • SCHOOLAIR-D-2L : puissance apparente 197 VA
  • SCHOOLAIR-D-4L : puissance apparente 197 VA
  • SCHOOLAIR-D-HV-2L : puissance apparente 677 VA

 

Pose sous le plancher

  • FSL-U-ZAS : puissance apparente 326 VA

 

Remarque : veuillez également tenir compte de la plaque signalétique sur l'unité de ventilation décentralisée.


Tension d'alimentation


  • 230 V AC ± 10 %
  • Un câble de raccordement 3 × 1,5 mm² (L, N, PE) d'une longueur d'au moins 1 m est utilisé


Connexion au système centralisé de gestion des bâtiments


Appareil Maître

  • Modbus TCP // BACnet IP via un câble réseau standard avec connecteur RJ45
  • Modbus RTU // BACnet MS/TP via un câble blindé, par ex. Unitronic BUS LD 2 x 2 x 0,22 mm² (ou équivalent)


Appareil esclave

  • Si un appareil esclave est connecté via un câble standard au système centralisé de gestion des bâtiments avec une prise de courant RJ45, les paramètres actuels peuvent être affichés et définis avec l'adresse IP et un navigateur
  • Sans raccorder les appareils esclaves au système centralisé de gestion des bâtiments, une sélection de points de données est possible à l'aide du maître connecté

Raccordement des périphériques TROX

Panneau de commande

Pour éviter les interférences, ces câbles doivent être blindés, par ex. LiYCY 5 x 0,5 mm² (ou équivalent)

Communication maître/esclave

  • Les appareils sont raccordés par le client avec un câble blindé, par ex. Unitronic BUS LD 2 x 2 x 0,22 mm² (ou équivalent)
  • Assurer une résistance de 120 Ω aux premier et dernier participants du BUS


Raccordement des contacts de commutation numériques (entrées et sorties

  • Pour éviter les interférences, ces câbles doivent être blindés, par ex. LiYCY 2 x 0,5 mm² (ou équivalent)


Panneau de commande

Communication maître/esclave


  • Les unités de ventilation peuvent être exploitées dans une zone de pilotage en tant que maître et esclave dans le réseau
  • Le maître transfère les principales valeurs mesurées aux appareils esclaves
  • Jusqu'à 10 appareils esclaves peuvent être connectés à un appareil maître


Contacts de commutation numériques (entrées et sorties)


  • À l'aide des entrées et sorties numériques, les informations peuvent être envoyées au système centralisé de gestion des bâtiments sans connexion.
  • 6 entrées et 7 sorties sont disponibles.
  • Tous les contacts peuvent être configurés comme contacts NO ou NC.
  • Les contacts de commutation numériques peuvent être utilisés pour diverses fonctions.

X3FonctionOuvertFerméSécurité rupture de câble
6Capteur IRPMode de fonctionnement valideOccupé
5Contact de fenêtreOffAutomatiqueOui
4Arrêt d'urgence incendieOffAutomatiqueOui
3Activation fonctionnementOffAutomatique
2CommutationChauffageRefroidissementOui
1Interrupteur hotte aspiranteInactifActif

,

Communication de l'appareil avec le système centralisé de gestion des bâtiments


Points de données FSL-CONTROL IIIRegistre ModbusBACnetRecommandé
Sortie du mode de fonctionnement9100Valeur d'entrée multi-états (7) instance 0Oui
Sortie du mode de fonctionnement9101Valeur d'entrée multi-états (7) instance 1Oui
Sortie forçage du mode de fonctionnement9102Valeur d'entrée analogique (0) instance 27Oui
État de fonctionnement9103Valeur d'entrée analogique (0) instance 28
Sortie type de ventilation9104Valeur d'entrée multi-états (7) instance 2
Sortie température actuelle de l'air soufflé9105Valeur d'entrée analogique (0) instance 0Oui
Sortie température extérieure actuelle9106Valeur d'entrée analogique (0) instance 1Oui
Sortie température ambiante actuelle9107Valeur d'entrée analogique (0) instance 2Oui
Sortie température de retour actuelle9108Valeur d'entrée analogique (0) instance 3
Sortie température d'écoulement actuelle9109Valeur d'entrée analogique (0) instance 4
Sortie décalage température ambiante/de l'air soufflé actuel9110Valeur d'entrée analogique (0) instance 5
Sortie activation des heures supplémentaires9111Valeur binaire (5) instance 7
Sortie limite supérieure température9112Valeur d'entrée analogique (0) instance 6Oui
Sortie limite inférieure température9113Valeur d'entrée analogique (0) instance 7Oui
Sortie température de consigne air soufflé9114Valeur d'entrée analogique (0) instance 8Oui
Sortie étage du ventilateur9115Valeur d'entrée analogique (0) instance 29Oui
Sortie humidité ambiante actuelle9116Valeur d'entrée analogique (0) instance 9
Sortie qualité de l'air intérieur actuelle9117Valeur d'entrée analogique (0) instance 10Oui
Sortie débit-volume de l'air extérieur9118Valeur d'entrée analogique (0) instance 11
Sortie débit-volume de reprise9119Valeur d'entrée analogique (0) instance 12
Alarme A alarme centralisée9120Valeur d'entrée analogique (0) instance 16
Alarme B alarme centralisée9121Valeur d'entrée analogique (0) instance 17
Sortie contact de fenêtre9123Valeur binaire (5) instance 6
Sortie alarme incendie9124Valeur binaire (5) instance 5Oui
Nombre d'appareils connectés9125Valeur d'entrée analogique (0) instance 13
Exigence de sortie pièce9126Valeur d'entrée multi-états (7) instance 3
Exigence de sortie vanne9127Valeur d'entrée multi-états (7) instance 4
Sortie pilotage de la vanne de chauffage maître9128Valeur d'entrée analogique (0) instance 14Oui
Sortie pilotage de la vanne de refroidissement maître9129Valeur d'entrée analogique (0) instance 15Oui
Sortie température de l'air soufflé esclave 19130Valeur d'entrée analogique (0) instance 18Oui
Sortie température de l'air soufflé esclave 29131Valeur d'entrée analogique (0) instance 23
Sortie température de l'air soufflé esclave 39132Valeur d'entrée analogique (0) instance 24
Sortie température de l'air soufflé esclave 49133Valeur d'entrée analogique (0) instance 44
Sortie température de l'air soufflé esclave 59134Valeur d'entrée analogique (0) instance 45
Sortie température de l'air soufflé esclave 69135Valeur d'entrée analogique (0) instance 46
Sortie température de l'air soufflé esclave 79136Valeur d'entrée analogique (0) instance 47
Sortie température de l'air soufflé esclave 89137Valeur d'entrée analogique (0) instance 48
Sortie température de l'air soufflé esclave 99138Valeur d'entrée analogique (0) instance 49
Sortie température de l'air soufflé esclave 109139Valeur d'entrée analogique (0) instance 50
Sortie pilotage de la vanne de chauffage esclave 19140Valeur d'entrée analogique (0) instance 19Oui
Sortie pilotage de la vanne de chauffage esclave 29141Valeur d'entrée analogique (0) instance 22
Sortie pilotage de la vanne de chauffage esclave 39142Valeur d'entrée analogique (0) instance 25
Sortie pilotage de la vanne de chauffage esclave 49143Valeur d'entrée analogique (0) instance 30
Sortie pilotage de la vanne de chauffage esclave 59144Valeur d'entrée analogique (0) instance 31
Sortie pilotage de la vanne de chauffage esclave 69145Valeur d'entrée analogique (0) instance 32
Sortie pilotage de la vanne de chauffage esclave 79146Valeur d'entrée analogique (0) instance 33
Sortie pilotage de la vanne de chauffage esclave 89147Valeur d'entrée analogique (0) instance 34
Sortie pilotage de la vanne de chauffage esclave 99148Valeur d'entrée analogique (0) instance 35
Sortie pilotage de la vanne de chauffage esclave 109149Valeur d'entrée analogique (0) instance 36
Sortie pilotage de la vanne de refroidissement esclave 19150Valeur d'entrée analogique (0) instance 20Oui
Sortie pilotage de la vanne de refroidissement esclave 29151Valeur d'entrée analogique (0) instance 21
Sortie pilotage de la vanne de refroidissement esclave 39152Valeur d'entrée analogique (0) instance 26
Sortie pilotage de la vanne de refroidissement esclave 49153Valeur d'entrée analogique (0) instance 37
Sortie pilotage de la vanne de refroidissement esclave 59154Valeur d'entrée analogique (0) instance 38
Sortie pilotage de la vanne de refroidissement esclave 69155Valeur d'entrée analogique (0) instance 39
Sortie pilotage de la vanne de refroidissement esclave 79156Valeur d'entrée analogique (0) instance 40
Sortie pilotage de la vanne de refroidissement esclave 89157Valeur d'entrée analogique (0) instance 41
Sortie pilotage de la vanne de refroidissement esclave 99158Valeur d'entrée analogique (0) instance 42
Sortie pilotage de la vanne de refroidissement esclave 109159Valeur d'entrée analogique (0) instance 43

,

Communication du système centralisé de gestion des bâtiments avec l'appareil


Points de données FSL-CONTROL IIIRegistre ModbusBACnetRecommandé
Mode de fonctionnement par défaut9000Valeur à états multiples (9) instance 0Oui
Mode de fonctionnement par défaut9001Valeur à états multiples (9) instance 1Oui
Forçage mode de fonctionnement par défaut9002Valeur analogique (2) instance 13Oui
Température extérieure actuelle par défaut9003Valeur analogique (2) instance 0Oui
Limite de température de refroidissement par défaut9004Valeur analogique (2) instance 1Oui
Limite de température de chauffage par défaut9005Valeur analogique (2) instance 2Oui
Température ambiante actuelle par défaut9006Valeur analogique (2) instance 3Oui
Consigne de température ambiante par défaut9007Valeur analogique (2) instance 4
Décalage par défaut avec la consigne de température ambiante9008Valeur analogique (2) instance 5Oui
Consigne de température d'air soufflé par défaut9009Valeur analogique (2) instance 6
Décalage par défaut avec la consigne de température d'air soufflé9010Valeur analogique (2) instance 7
Humidité relative actuelle de l'air ambiant par défaut9011Valeur analogique (2) instance 8
Opération de commutation par défaut9012Valeur à états multiples (9) instance 2
Étage du ventilateur par défaut9013Valeur analogique (2) instance 9
Qualité de l'air ambiant par défaut (interne)9014Valeur analogique (2) instance 10
Qualité de l'air extérieur par défaut (externe)9015Valeur analogique (2) instance 11
Différence de débit-volume par défaut9016Valeur analogique (2) instance 12
Arrêt d'urgence incendie par défaut9017Valeur binaire (5) instance 0Oui
Contact de fenêtre par défaut9018Valeur binaire (5) instance 1
Temps supplémentaire par défaut9020Valeur binaire (5) instance 2
Réinitialisation du filtre par défaut9021Valeur binaire (5) instance 3Oui
Système d'air frais automatique par défaut9022Valeur à états multiples (9) instance 4Oui

,

 

Panneau de commande


Boîtier de commande de pièce, communication maître/esclave

  • Boîtier de commande de pièce
  • COMMUNICATION MAÎTRE/ESCLAVE

Information générale



Utiliser uniquement les câbles conçus pour la tension électrique à laquelle ils sont destinés. La longueur et la section transversale ainsi que la résistance de contact peuvent accroître les pertes de tension. La puissance nominale de chaque unité de ventilation décentralisée conformément au tableau suivant doit également être prise en compte.

Un électricien qualifié doit sélectionner correctement les types et tailles de câbles. Cette tâche doit être accomplie uniquement par un installateur électrique spécialisé. Les puissances raccordées sont énumérées ci-dessous.

 



Puissances raccordées



Pose de seuil horizontal

  • FSL-B-ZAB/SEK : puissance apparente 234 VA
  • FSL-B-ZAB+SEK : puissance apparente 255 VA
  • SCHOOLAIR-B : puissance apparente 238 VA
  • SCHOOLAIR-B-HE : puissance apparente 547 VA
  • SCHOOLAIR-B-HV : puissance apparente 617 VA

 

Pose de seuil vertical

  • SCHOOLAIR-V-2L : puissance apparente 226 VA
  • SCHOOLAIR-V-4L : puissance apparente 226 VA
  • SCHOOLAIR-V-1800 : puissance apparente 217 VA
  • SCHOOLAIR-V-HE : puissance apparente 592 VA
  • SCHOOLAIR-V-HV : puissance apparente 647 VA
  • SCHOOLAIR-V-HV-EH : puissance apparente 2247 VA

 

Montage au plafond

  • FSL-D-ZAB/SEK : puissance apparente 197 VA
  • SCHOOLAIR-D-2L : puissance apparente 197 VA
  • SCHOOLAIR-D-4L : puissance apparente 197 VA
  • SCHOOLAIR-D-HV-2L : puissance apparente 677 VA

 

Pose sous le plancher

  • FSL-U-ZAS : puissance apparente 326 VA

 

Remarque : veuillez également tenir compte de la plaque signalétique sur l'unité de ventilation décentralisée.




,

 


,


Tension d'alimentation



  • 230 V AC ± 10 %
  • Un câble de raccordement 3 × 1,5 mm² (L, N, PE) d'une longueur d'au moins 1 m est utilisé

 


,

 

 


,

 


,


Connexion au système centralisé de gestion des bâtiments



Unité maîtresse

  • Modbus TCP // BACnet IP via un câble réseau standard avec connecteur RJ45
  • Modbus RTU // BACnet MS/TP via un câble blindé, par ex. Unitronic BUS LD 2 x 2 x 0,22 mm² (ou équivalent)


,

 

 


,


Appareil esclave

  • Si un appareil esclave est connecté via un câble standard au système centralisé de gestion des bâtiments avec une prise de courant RJ45, les paramètres actuels peuvent être affichés et définis avec l'adresse IP et un navigateur
  • Sans raccorder les appareils esclaves au système centralisé de gestion des bâtiments, une sélection de points de données est possible à l'aide du maître connecté


,

,

Raccordement des périphériques TROX

Panneau de commande



Pour éviter les interférences, ces câbles doivent être blindés, par ex. LiYCY 5 x 0,5 mm² (ou équivalent)



 



Communication maître/esclave



  • Les appareils sont raccordés par le client avec un câble blindé, par ex. Unitronic BUS LD 2 x 2 x 0,22 mm² (ou équivalent)
  • Assurer une résistance de 120 Ω aux premier et dernier participants du BUS


 



Raccordement des contacts de commutation numériques (entrées et sorties)



  • Pour éviter les interférences, ces câbles doivent être blindés, par ex. LiYCY 2 x 0,5 mm² (ou équivalent)


 



 

,

 


,

Panneau de commande


,

 

 


,

 

 


,

Communication maître/esclave



  • Les unités de ventilation peuvent être exploitées dans une zone de pilotage en tant que maître et esclave dans le réseau
  • Le maître transfère les principales valeurs mesurées aux appareils esclaves
  • Jusqu'à 10 appareils esclaves peuvent être connectés à un appareil maître


,

,


Contacts de commutation numériques (entrées et sorties)



  • À l'aide des entrées et sorties numériques, les informations peuvent être envoyées au système centralisé de gestion des bâtiments sans connexion.
  • 6 entrées et 7 sorties sont disponibles.
  • Tous les contacts peuvent être configurés comme contacts NO ou NC.
  • Les contacts de commutation numériques peuvent être utilisés pour diverses fonctions.


,

,

X3FonctionOuvertFerméSécurité rupture de câble
6Capteur IRPMode de fonctionnement valideOccupé
5Contact de fenêtreOffAutomatiqueOui
4Arrêt d'urgence incendieOffAutomatiqueOui
3Activation fonctionnementOffAutomatique
2CommutationChauffageRefroidissementOui
1Interrupteur hotte aspiranteInactifActif

,

 


,

,

 


,


Communication de l'appareil avec le système centralisé de gestion des bâtiments


Points de données FSL-CONTROL IIIRegistre ModbusBACnetRecommandé
Sortie du mode de fonctionnement9100Valeur d'entrée multi-états (7) instance 0Oui
Sortie du mode de fonctionnement9101Valeur d'entrée multi-états (7) instance 1Oui
Sortie forçage du mode de fonctionnement9102Valeur d'entrée analogique (0) instance 27Oui
État de fonctionnement9103Valeur d'entrée analogique (0) instance 28
Sortie type de ventilation9104Valeur d'entrée multi-états (7) instance 2
Sortie température actuelle de l'air soufflé9105Valeur d'entrée analogique (0) instance 0Oui
Sortie température extérieure actuelle9106Valeur d'entrée analogique (0) instance 1Oui
Sortie température ambiante actuelle9107Valeur d'entrée analogique (0) instance 2Oui
Sortie température de retour actuelle9108Valeur d'entrée analogique (0) instance 3
Sortie température d'écoulement actuelle9109Valeur d'entrée analogique (0) instance 4
Sortie décalage température ambiante/de l'air soufflé actuel9110Valeur d'entrée analogique (0) instance 5
Sortie activation des heures supplémentaires9111Valeur binaire (5) instance 7
Sortie limite supérieure température9112Valeur d'entrée analogique (0) instance 6Oui
Sortie limite inférieure température9113Valeur d'entrée analogique (0) instance 7Oui
Sortie température de consigne air soufflé9114Valeur d'entrée analogique (0) instance 8Oui
Sortie étage du ventilateur9115Valeur d'entrée analogique (0) instance 29Oui
Sortie humidité ambiante actuelle9116Valeur d'entrée analogique (0) instance 9
Sortie qualité de l'air intérieur actuelle9117Valeur d'entrée analogique (0) instance 10Oui
Sortie débit-volume de l'air extérieur9118Valeur d'entrée analogique (0) instance 11
Sortie débit-volume de reprise9119Valeur d'entrée analogique (0) instance 12
Alarme A alarme centralisée9120Valeur d'entrée analogique (0) instance 16
Alarme B alarme centralisée9121Valeur d'entrée analogique (0) instance 17
Sortie contact de fenêtre9123Valeur binaire (5) instance 6
Sortie alarme incendie9124Valeur binaire (5) instance 5Oui
Nombre d'appareils connectés9125Valeur d'entrée analogique (0) instance 13
Exigence de sortie pièce9126Valeur d'entrée multi-états (7) instance 3
Exigence de sortie vanne9127Valeur d'entrée multi-états (7) instance 4
Sortie pilotage de la vanne de chauffage maître9128Valeur d'entrée analogique (0) instance 14Oui
Sortie pilotage de la vanne de refroidissement maître9129Valeur d'entrée analogique (0) instance 15Oui
Sortie température de l'air soufflé esclave 19130Valeur d'entrée analogique (0) instance 18Oui
Sortie température de l'air soufflé esclave 29131Valeur d'entrée analogique (0) instance 23
Sortie température de l'air soufflé esclave 39132Valeur d'entrée analogique (0) instance 24
Sortie température de l'air soufflé esclave 49133Valeur d'entrée analogique (0) instance 44
Sortie température de l'air soufflé esclave 59134Valeur d'entrée analogique (0) instance 45
Sortie température de l'air soufflé esclave 69135Valeur d'entrée analogique (0) instance 46
Sortie température de l'air soufflé esclave 79136Valeur d'entrée analogique (0) instance 47
Sortie température de l'air soufflé esclave 89137Valeur d'entrée analogique (0) instance 48
Sortie température de l'air soufflé esclave 99138Valeur d'entrée analogique (0) instance 49
Sortie température de l'air soufflé esclave 109139Valeur d'entrée analogique (0) instance 50
Sortie pilotage de la vanne de chauffage esclave 19140Valeur d'entrée analogique (0) instance 19Oui
Sortie pilotage de la vanne de chauffage esclave 29141Valeur d'entrée analogique (0) instance 22
Sortie pilotage de la vanne de chauffage esclave 39142Valeur d'entrée analogique (0) instance 25
Sortie pilotage de la vanne de chauffage esclave 49143Valeur d'entrée analogique (0) instance 30
Sortie pilotage de la vanne de chauffage esclave 59144Valeur d'entrée analogique (0) instance 31
Sortie pilotage de la vanne de chauffage esclave 69145Valeur d'entrée analogique (0) instance 32
Sortie pilotage de la vanne de chauffage esclave 79146Valeur d'entrée analogique (0) instance 33
Sortie pilotage de la vanne de chauffage esclave 89147Valeur d'entrée analogique (0) instance 34
Sortie pilotage de la vanne de chauffage esclave 99148Valeur d'entrée analogique (0) instance 35
Sortie pilotage de la vanne de chauffage esclave 109149Valeur d'entrée analogique (0) instance 36
Sortie pilotage de la vanne de refroidissement esclave 19150Valeur d'entrée analogique (0) instance 20Oui
Sortie pilotage de la vanne de refroidissement esclave 29151Valeur d'entrée analogique (0) instance 21
Sortie pilotage de la vanne de refroidissement esclave 39152Valeur d'entrée analogique (0) instance 26
Sortie pilotage de la vanne de refroidissement esclave 49153Valeur d'entrée analogique (0) instance 37
Sortie pilotage de la vanne de refroidissement esclave 59154Valeur d'entrée analogique (0) instance 38
Sortie pilotage de la vanne de refroidissement esclave 69155Valeur d'entrée analogique (0) instance 39
Sortie pilotage de la vanne de refroidissement esclave 79156Valeur d'entrée analogique (0) instance 40
Sortie pilotage de la vanne de refroidissement esclave 89157Valeur d'entrée analogique (0) instance 41
Sortie pilotage de la vanne de refroidissement esclave 99158Valeur d'entrée analogique (0) instance 42
Sortie pilotage de la vanne de refroidissement esclave 109159Valeur d'entrée analogique (0) instance 43

,


Communication du système centralisé de gestion des bâtiments avec l'appareil


Points de données FSL-CONTROL IIIRegistre ModbusBACnetRecommandé
Mode de fonctionnement par défaut9000Valeur à états multiples (9) instance 0Oui
Mode de fonctionnement par défaut9001Valeur à états multiples (9) instance 1Oui
Forçage mode de fonctionnement par défaut9002Valeur analogique (2) instance 13Oui
Température extérieure actuelle par défaut9003Valeur analogique (2) instance 0Oui
Limite de température de refroidissement par défaut9004Valeur analogique (2) instance 1Oui
Limite de température de chauffage par défaut9005Valeur analogique (2) instance 2Oui
Température ambiante actuelle par défaut9006Valeur analogique (2) instance 3Oui
Consigne de température ambiante par défaut9007Valeur analogique (2) instance 4
Décalage par défaut avec la consigne de température ambiante9008Valeur analogique (2) instance 5Oui
Consigne de température d'air soufflé par défaut9009Valeur analogique (2) instance 6
Décalage par défaut avec la consigne de température d'air soufflé9010Valeur analogique (2) instance 7
Humidité relative actuelle de l'air ambiant par défaut9011Valeur analogique (2) instance 8
Opération de commutation par défaut9012Valeur à états multiples (9) instance 2
Étage du ventilateur par défaut9013Valeur analogique (2) instance 9
Qualité de l'air ambiant par défaut (interne)9014Valeur analogique (2) instance 10
Qualité de l'air extérieur par défaut (externe)9015Valeur analogique (2) instance 11
Différence de débit-volume par défaut9016Valeur analogique (2) instance 12
Arrêt d'urgence incendie par défaut9017Valeur binaire (5) instance 0Oui
Contact de fenêtre par défaut9018Valeur binaire (5) instance 1
Temps supplémentaire par défaut9020Valeur binaire (5) instance 2
Réinitialisation du filtre par défaut9021Valeur binaire (5) instance 3Oui
Système d'air frais automatique par défaut9022Valeur à états multiples (9) instance 4Oui

,

 


,

Panneau de commande

,

 

 


Téléchargements

Information produit

Manuels d'utilisation

production {"x-frame-options"=>"SAMEORIGIN", "x-xss-protection"=>"0", "x-content-type-options"=>"nosniff", "x-permitted-cross-domain-policies"=>"none", "referrer-policy"=>"strict-origin-when-cross-origin", "strict-transport-security"=>"max-age=31536000; includeSubDomains", "content-type"=>"text/html; charset=utf-8", "link"=>"</assets/application-efbc495b06ca980ef13dc743756002fce2f413f798fecb64c7f0c81954c16402.css>; rel=preload; as=style; nopush,</assets/print-fec2e47d6d8dcc5d4c101139f17046ba981ca1c12f71e7e403fba50cc7584175.css>; rel=preload; as=style; nopush,</assets/other_js/modernizr.custom.93544-c26374a79d804901074bb4aa6fd3fa44ea22e840389915d2adce16b024021ef3.js>; rel=preload; as=script; nopush,</assets/other_js/js.cookie.min-de103d86d1919b40950f791699b4ce768137fde41af09b35ff92bde369732183.js>; rel=preload; as=script; nopush,</assets/other_js/jquery-3.5.1-2c4ce18a1a3f144c333912efc24a76c9a165a0dba9f88a499985df1af0a196a2.js>; rel=preload; as=script; nopush"}

Partager la page

Recommander cette page

Vous avez la possibilité de recommander cette page en partageant le lien.

Les champs marqués d'une étoile (*) sont obligatoires.

Contact

Merci pour votre message !

Votre recommandation a été envoyée et sera bientôt reçue par le destinataire.

Contact

Nous sommes à votre disposition

Veuillez spécifier le sujet de votre requête et vos coordonnées.
Tel.: +33 1 56 70 54 54

Pièce jointe (max. 10MB)

Les champs marqués d'une étoile (*) sont obligatoires.

Contact

Merci pour votre message !

Votre message a été reçu par le Centre de Service et est en cours de traitement.
Notre département des demandes de service vous contactera sous peu.
Si vous avez des questions d'ordre général sur nos produits et services, vous pouvez également nous contacter à l'adresse suivante:
Tél .: +49 (0) 2845 2020 | Fax: +49 (0) 2845 202265

Contact

Nous sommes à votre disposition

Veuillez spécifier le sujet de votre requête et vos coordonnées.
Tel.: +33 1 56 70 54 54

Pièce jointe (max. 10MB)

Les champs marqués d'une étoile (*) sont obligatoires.

Contact

Merci pour votre message !

Votre message a été reçu par le Centre de Service et est en cours de traitement.
Notre département des demandes de service vous contactera sous peu.
Si vous avez des questions d'ordre général sur nos produits et services, vous pouvez également nous contacter à l'adresse suivante:
Tél .: +49 (0) 2845 2020 | Fax: +49 (0) 2845 202265