VRU-D3-M-B_img_01psd.png
Sonde de pression effective pour l'air propre
VME_img_07_BTDpsd.png
Unité de mesure du débit VME avec composants de régulation BTD et BTS

VME avec composant de régulation BTD

VME avec composant de régulation BTD

VMR_img_08psd.png
Volumenstrommesseinrichtung VMR

VMR avec composant de régulation BTD

mp-bus_bacnet_modbus_logo-komposition_logo_01png.png

Interfaces de communication

VRU-D3-M-B_img_01psd.png
VME_img_07_BTDpsd.png
VMR_img_08psd.png
mp-bus_bacnet_modbus_logo-komposition_logo_01png.png

BTD  

TRANSMETTEUR DE PRESSION DIFFÉRENTIELLE POUR AIR PROPRE

Sonde de pression effective reposant sur le principe de mesure dynamique pour les unités de mesure du débit volumique VME et VMR


  • Utilisation dans les systèmes de ventilation et de climatisation, utiliser uniquement avec de l'air propre
  • Signal de valeur réelle analogique ou numérique pour la surveillance et l'évaluation par le système centralisé de gestion des bâtiments
  • Pour débits-volumes variables et constants
  • Pas de mise en service nécessaire car les paramètres sont réglés en usine 
  • Enregistrement des valeurs mesurées pour l'affichage des débits d'air ou pour la régulation de régulateurs esclaves
  • Accès de maintenance pour le logiciel de configuration pour PC
  • Accès avec un smartphone par l'interface NFC et Bluetooth
  • Transparence des données grâce à la communication avec bus MP, Modbus RTU ou BACnet MS/TP

Information générale

Application

  • Détermination des débits-volumes et transmission/traitement en tant que signal électrique à des fins de surveillance/suivi
  • Mesure d'une pression effective et conversion du débit-volume réel en signal de valeur réelle analogique et numérique 
  • À utiliser uniquement avec l'air propre
  • La filtration standard dans les systèmes de climatisation de confort permet d'utiliser le régulateur en soufflage sans protection supplémentaire contre la poussière
  • La valeur du débit volumique réel est disponible sous forme de signal de tension linéaire ou de point de données de réseau
  • Utiliser l'appli TROX FlowCheck et l'outil PC pour configurer le régulateur et les paramètres de communication
  • Capteur réglé en usine sur la constante (valeur K) de l'unité de mesure


 



En cas de niveaux importants de poussières dans la pièce

  • Installer des filtres de reprise d'air adaptés en amont, étant donné qu'un débit volumique partiel est acheminé à travers la sonde pour la mesure du débit volumique.


Si l'air est vicié, encrassé notamment par des fibres ou des composants collants

  • Utilisation du groupe d'éléments BTS à la place du régulateur universel BTD décrit ici 


Interface

Interface analogique

  • Interface analogique avec plage de tension de signal ajustable

Interface de communication numérique (bus)

  • MP bus
  • Modbus RTU, RS485
  • BACnet MS/TP, RS485
  • Points de données, voir les listes de bus

Réglage usine

  • Sortie de valeur réelle par l'interface analogique et l'interface de communication Modbus


Plages de tension du signal

  • 0 – 10 V DC
  • 2 – 10 V DC


Pièces et caractéristiques

  • Sonde de pression effective fondée sur le principe de mesure dynamique (capteur dynamique)
  • Bornes enfichables pour l'alimentation et les commandes, capot compris
  • NFC et interface de service
  • Voyants pour l'affichage du mode de fonctionnement
  • Caisson de régulateur intégrant 4 ouvertures pour raccords filetés, 2 presse-étoupes M16 x 1,5 pour le câble de raccordement fourni


Exécution

Type VRU-D3-M/B TR pour unité de mesure du débit volumique

  • Pour VME toutes les dimensions
  • Pour VMR toutes les dimensions


Mise en service

  • Les paramètres sont réglés en usine
  • Le paramétrage sur site n'est pas requis
  • Interface de bus Modbus/BACnet/MP : étapes de mise en service supplémentaires éventuellement nécessaires
  • Les paramètres de fonctionnement peuvent être ajustés à l'aide de l'appli TROX FlowCheck



Accessoires utiles

Appli TROX FlowCheck pour Android et iOS

  • Outil PC Belimo
  • Convertisseur Bluetooth-NFC ZIP-BT-NFC


Information technique

Fonction, Texte de spécification, Codes de commande

  • FONCTION
  • TEXTE DE SPÉCIFICATION
  • CODES DE COMMANDE
Principe de fonctionnement – unité de mesure du débit volumique Funktionsprinzip_XTDai.png

① Sonde de pression effective (principe de mesure dynamique)

② Sonde pour la conversion du signal de pression différentielle en signal de débit volumique

③ Signal de valeur réelle analogique

① Sonde de pression effective (principe de mesure dynamique)

② Sonde pour la conversion du signal de pression effective en signal de débit volumique

③ Signal de valeur réelle analogique

Le débit volumique est déterminé en mesurant une pression effective. L'unité de mesure du débit volumique est équipée d'une sonde de pression effective à cette fin. Une sonde de pression effective, reposant sur le principe de la mesure dynamique, convertit la pression effective en signal de tension. Par conséquent, la valeur réelle de débit volumique est disponible en tant que valeur numérique ou signal de tension. Le réglage d'usine est tel que 10 VDC correspond toujours au débit nominal (qvnom). Les plages de tension sont conservées dans la sonde. 

Catégorie

  • Prise de mesure du débit d'air

Application

  • Enregistrement d'un débit volumique réel constant ou variable, par ex. pour le raccordement au système de gestion centralisée du bâtiment à des fins de surveillance ou d'intégration dans un système d'équilibrage de pièce

Plage de pression

  • Sonde de pression effective pour mesurer la pression dynamique dans les systèmes de climatisation et de ventilation à air propre

Position de montage

  • N'importe quelle direction

Raccordement

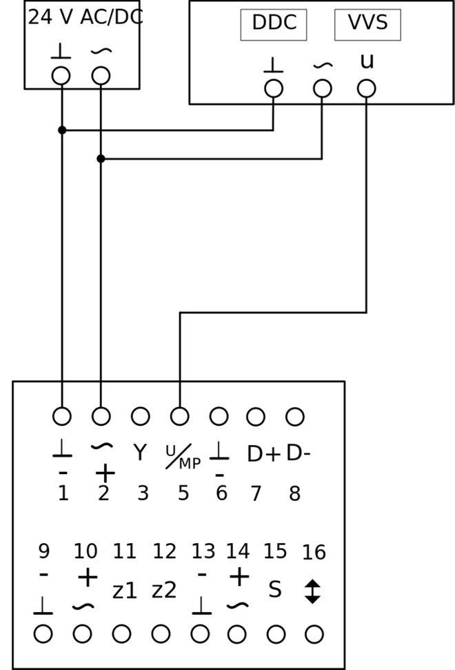
  • Bornes enfichables avec cache. Pas de boîte de raccordement nécessaire

Tension d'alimentation

  • 24 V AC/DC

Interface/régulation

Signal analogique

  • 0 – 10 V DC ; 2 – 10 V DC

ou raccord de bus numérique

  • Modbus RTU
  • BACnet MS/TP
  • MP bus

Le type d'interface peut être réglé et connecté sur site


Informations sur l'interface

Signal analogique :

  • Valeur réelle du débit volumique


Interface de bus :

  • Valeur réelle du débit volumique
  • État de l'erreur


Raccordements système

  • Flexibilité de l'intégration dans les systèmes de bus numériques


Réglage des paramètres

  • Les paramètres propres à l'unité de mesure sont réglés en usine
  • Caractéristiques de signal réglées en usine

Ajustement ultérieur à l'aide d'outils en option:  

  • Appli TROX FlowCheck, logiciel pour PC (câblé)



Paramètres d'usine

  • La sonde électronique est montée en usine sur l'unité de mesure
  • Paramètres réglés en usine
  • Test fonctionnel à l'air (voir l'autocollant)


VMRP1/125/BTD/0
| | | | |
1 3 5 7 9

1 Type 

VMR Prise de mesure du débit d'air 

3 Matériau 
Tôle d'acier galvanisé (exécution standard) 
P1 Laqué RAL 7001, gris argent 
A2 Construction en acier inoxydable 

5 Dimensions 
nominales [mm] 
100 
125 
160 
200 
250 
315 
400 


7 Éléments additionnels (sonde de pression effective) 
BTD Sonde de pression effective pour les unités de mesure, dynamique 

9 Plage de tension du signal 
0 0 – 10 V DC 
2 2 – 10 V DC


Exemple de commande : VMR/100/BTD/0

Matériau Tôle d'acier galvanisé
Dimension nominale 100 mm
Option associée Sonde de pression effective pour les mesures dynamiques
Plage de tension de signal 0 – 10 V DC

Modèles, Caractéristiques techniques

  • MODÈLES
  • CARACTÉRISTIQUES TECHNIQUES


Sonde de pression effective VRU-D3-M/B TR Sonde de pression effective VRU-D3-M/B TR

Sonde de pression effective pour les unités de mesure du débit volumique


Unités de mesure à débit d'air variable

TypeNuméro de pièce
VME, VMRVRU-D3-M/B TRA00000073650


Sonde de pression effective VRU-D3-M/B TR

Principe de mesure

Dynamique, quel que soit le sens de montage de la sonde

Tension nominale

AC/DC 24 V
Fréquence nominale50/60 Hz

Plage de fonctionnement

19,2-28,8 V AC / 21,6 - 28,8 V DC

Puissance requise (fonctionnement/repos)

1,5 W


Puissance nominale requise

2 VA

Consommation électrique nominale remarque

Imax 20 A à 5 ms


Raccordement de bus

Modbus RTU*, BACnet MS/TP, MP-Bus


Paramètres de communication étalonnables Modbus RTU

Débit en bauds : 9600, 19200 38400*, 76800, 115200;

Adresse : 1*,2,3 – 247;

Parité : 1-8-N-2*, 1-8-N-1, 1-8-E-1, 1-8-O-1;

Nombre de noeuds : max. 32 (sans répéteur)

Résistance de terminaison : 120 Ω;


Paramètres de communication étalonnables BACnet MS/TP

Débit en bauds : 9600, 19200 38400*, 76800, 115200;

Adresse : 1*,2,3 – 127;

Nombre de noeuds : max. 32 (sans répéteur)

Résistance de terminaison : 120 Ω;


Adressage

Nécessaire sur site : par l'appli TROX FlowCheck


Sortie de signal valeur réelle

0 – 10 V, 2 – 10 V, max. 0,5 mA


Classe de sécurité CEI/ENIII (très basse tension de sécurité)
Niveau de protectionIP 42

CEM

CE selon 2014/30/UE
Poids

0,3 kg


* Réglage d'usine


Mise en service

  • Le paramétrage sur site n'est pas requis
  • Une fois l'installation et le câblage effectués, le capteur est prêt à l'emploi
  • Ne retirer que brièvement le capuchon de protection du capteur lors du câblage
  • Respecter les plages de débit volumique de l'unité de mesure ; en particulier, le débit ne peut pas être inférieur au débit volumique minimum


Outils de service – éventail de fonctions

Fonction/paramétrage

Appli TROX FlowCheck

Outil PC


ZTH-EU


Mode, signal de valeur réelle 0 - 10 V, 2 - 10 V DC

R, WR, W-
Modbus, BACnetR, WR, W-
MP busR, WR, W-
Réglage des paramètres de busR, WR, W-
Affichage des tendances

Oui

Oui-

R,W = accès en lecture/écriture.

- = Indisponible avec cet outil.


Interface de communication Modbus RTU

NombreAdresse de registreDescriptionPlageUnitéÉchelleAccès
76

Débit volumique en fonction de qvnom (adresse du reg. 110).

(*6)

0 – 15 000

%

0,01RD
87

Débit volumique absolu

(*6)

0 – qvnom

m³/h

1RD
98

Valeur de la sonde (tension, résistance, contact)


La valeur dépend du réglage du type de sonde (adresse du reg. 107).

0 – 65 535

mV,

Ω,

0/1,

0,1RD
1110

Débit volumique absolu dans l'unité de débit volumique sélectionnée selon (adresse du reg. 117).

(mot bas) < 16 de 32 bits.

(*6)

0 – 500 000 000

UnitSel

0,001RD
1211

Débit volumique absolu dans l'unité de débit volumique sélectionnée selon (adresse du reg. 117).

(mot haut) > 16 de 32 bits.

(*6)

0 – 500 000 000

UnitSel

0,001RD
5150

Pression différentielle relative 

Selon le cas d'application et (adresse du reg. 128).

0 – 20 000

%

0,01RD
5251

Pression différentielle absolue

-1 000 – 15 000

[Pa]

0,1RD
5352

[–]
5453

Pression différentielle absolue dans l'unité sélectionnée (adresse du reg. 145)

(mot bas) < 16 de 32 bits.

-10 000 000 – 100 000 000

UnitSel

0,001RD
5554

Pression différentielle absolue dans l'unité sélectionnée selon (adresse du reg. 145) 

(mot haut) > 16 de 32 bits.

-10 000 000 – 100 000 000 

UnitSel

0,001RD
10099

Résistance de terminaison de bus 

Indique si la résistance de terminaison (120 Ω) est activée ou désactivée.

Ne peut être réglé qu'avec les outils d'entretien.

0 : inactif

1 : actif

Réglage d'usine : inactif

RD
101100

Numéro de série, partie 1

Exemple : 00839-31324-064-008.

1er partie : 00839

2er partie : 31324

3er partie : 008

RD
102101

Numéro de série, partie 2

RD
103102

Numéro de série, partie 3

RD
104103

Version du firmware

Exemple : 101, version 01.01.

RD
105104

Dysfonctionnements et informations sur le service–

réinitialisation automatique si l'état a cessé.

Bit 0 : –


Bit 1 : -


Bit 2 : -


Bit 3 : –


Bit 4 : erreur de sonde dP


Bit 5 : retour d'air détecté


Bit 6 : débit volumique trop faible


Bit 7 : -


Bit 8 : -


Bit 9 : -


Bit10 : surveillance du bus déclenchée


Bit 11 : -


Bit 12 : sonde de pression mal connectée


Bit 13 : sonde de pression non atteinte


Bit 14 : erreur dans la sonde dP hors de la plage de mesures

RD
108107

Type de sonde 

Si l'adresse du reg. 118 = 0 (analogique), alors l'adresse du reg. 107 = 1 (active) pour mV.

0 : aucun(e)

1 : actif

2 : passive

3: –

4 : contact

Réglage d'usine : aucun

WR
110109

Délai jusqu'au déclenchement de la surveillance du délai d'attente du bus

Si reg. 108 ≠ 0, alors l'état automatique initial est reg. 108 = 120 s. 

0 – 3,600 


0: inactif


Réglage d'usine : inactif


s

1WR
111110

Débit nominal en m³/h

0 – 60 000

m³/h

1RD
113112

Débit volumique nominal dans l'unité de débit volumique sélectionnée selon (adresse du reg. 117)

(mot bas) < 16 de 32 bits.

0 – 60 000 000

UnitSel

0,001RD
114113

Débit volumique nominal dans l'unité de débit volumique sélectionnée selon (adresse du reg. 117)

(mot haut) > 16 de 32 bits.

0 – 60 000 000

UnitSel

0,001RD
118117

Sélection de l'unité –

Sélection de l'unité pour l'adresse du reg. 11 et 12.

0: –

1 : m³/h

2 : l/s

3: –

4: –

5: –

6 : cfm

-

WR
119118

Sortie
Données de la valeur réelle

0 : analogique (0 – 10 V, 2 – 10 V)

1 : bus (Modbus, BACnet, MP-Bus)

Réglage d'usine : analogique 

WR
125124

Applications

0 : Régulation du débit volumique


1 : Régulation de la pression


2 : Régulation de la pression ambiante


3 : Mesure du débit

RD
126125

Hauteur du système 

0 – 3 000

Réglage d'usine : 0

m

1WR
127126

Pression différentielle nominale dans l'unité sélectionnée selon (adresse du reg. 145)

Plus d'infos dans (adresse du reg. 128)

D3 : 0 – 50000

M1 : 0 – 60000

M1R : 0 – 60000

UnitSel

RD
146145

Sélection de l'unité de pression 

L'unité sélectionnée s'affiche en (adresse du reg. 126).

0: pascal


1: –


2: colonne d'eau


Réglage d'usine : pascal

[–]

RD = accès en lecture seule
WR = accès en lecture/écriture

Mise en oeuvre de protocole Déclaration de conformité – PICS (informations générales)

Date

03/11/2020


Nom du fournisseurTROX France
ID du fournisseur

423


Nom du produit

VRU-D3-M/B TR  A00000073650
VRU-M1-M/B TR  A00000073652"
VRU-M1R-M/B TR A00000073654

(Chaîne de description prédéfinie en usine selon la plateforme matérielle)

Numéro du modèle du produitVRU – BAC
Version du logiciel d'application

1.03.0001


Révision du microprogramme

10.05.0000


Protocole BACnet révision

12


Description du produit

Régulateur pour

  • application VAC/CAV
  • application de pression
  • application de mesure

(Chaîne de description prédéfinie en usine selon l'application)

Profil du périphérique standard BACnetContrôleur spécifique à l'application BACnet (B-ASC)
Blocs constitutifs d'interopérabilité BACnet

Partage de données – ReadProperty-B (DS-RP-B)
Partage de données – ReadPropertyMultiple-B (DS-RPM-B)
Partage de données – WriteProperty-B (DS-WP-B)
Partage de données – WritePropertyMultiple-B (DS-WPM-B)
Partage de données – COV-B (DS-COV-B)
Gestion de dispositif – DynamicDeviceBinding-B (DM-DDB-B)
Gestion de dispositif – DynamicObjectBinding-B (DM-DOB-B)
Gestion de dispositif – DeviceCommunicationControl-B (DM-DCC-B)


Capacité de segmentationNon
Options de la couche de liaison de donnéesMS/TP maître, débits en bauds : 9 600, 19 200, 38 400, 76 800, 115 200
Liaison d'adresse du périphériqueAssociation de dispositif statique non prise en charge
Options de réseauAucun
Jeux de caractères pris en chargeISO 10646 (UTF-8)
Options de passerelleAucun
Options de sécurité du réseauDispositif non sécurisé


Traitement d'objet

Type d'objet


Propriétés en option


Propriétés inscriptibles


Entrée analogique [AI]


Description
Incrément COV


Incrément COV


Sortie analogique [AO]


Description
Incrément COV


Valeur actuelle
Incrément COV
Abandonner la valeur par défaut


Valeur analogique [AV]


Description

Incrément COV


Valeur actuelle

Incrément COV


Entrée binaire [BI]


Description
Texte actif
Texte inactif


Dispositif


Description
Localisation
Abonnements COV actifs
Maître max.
Cadres d'infos max.
Nom du profil


Object Identifier
Object Name
Location
Description
APDU Timeout (1000 – 60000)
Number Of APDU Retries (0 – 10)
Max Master (1 – 127)
Max Info Frames (1 – 255)

Entrée à états multiples [MI]


Description
Texte de l'état


Sortie à états multiples [MO]


Description
Texte de l'état


Valeur actuelle
Abandonner la valeur par défaut


Valeur à états multiples [MV]


Description
Texte de l'état


Valeur actuelle (si signalée)



Exécution des services

  • Le dispositif ne prend pas en charge les services « Créer un objet » et « Supprimer un objet »
  • La longueur maximale définie des chaînes de caractères accessibles en écriture repose sur des caractères codés sur un octet
  1. Nom d'objet 32 caractères
  2. Emplacement 64 caractères
  3. Description 64 caractères
  • Le dispositif prend en charge les services DeviceCommunicationControl, pas de mot de passe nécessaire
  • Six abonnements COV actifs d'une durée d'exécution de 1 – 28 800 s (8 h maximum) sont admissibles


Interface de communication BACnet MS/TP

Nom d'objetType d'objetDescriptionValeursIncrément COVAccès
Dispositif

Dispositif [Inst.No]

0 – 4 194 302

Réglage d'usine : 1

WR
RelDeltaP

AI[9]

Pression différentielle relative en % par rapport à DeltaPnom_Pa AV[122]

0 – 150

0,01 – 150

Réglage d'usine : 1

RD
RelFlowAI[10]

Débit volumique relatif en % de Vnom_m3h AV[112]

Indicateurs d'état : (*4)

0 – 150

0,01 – 150

Réglage d'usine : 1

RD
AbsFlow_m3h

AI[12]

Débit volumique absolu en m³/h

Indicateurs d'état : (*4)

0 – 60 000

1 – 60 000

Réglage d'usine : 10

RD
DeltaP_UnitSel

AI[18]

Pression différentielle absolue dans l'unité sélectionnée selon UnitSelPressure MV[127]

-10 000 – 100 000

0,001 – 100 000

Réglage d'usine : 1

RD
AbsFlow_UnitSelAI[19]

Débit volumique absolu dans l'unité sélectionnée selon UnitSelAirFlow MV[121]

Indicateurs d'état : (*4)


0 – 500 000

0,01 – 500 000

Réglage d'usine : 1

RD
Sens1AnalogueAI[20]

Sonde 1 en tant que valeur analogique 
 

Si Sensor1Type MV[220] = 2 (actif), alors l'affichage = valeur analogique en 0 – 10 V.

Si Sensor1Type MV[220] = 3 (passif), alors l'affichage = valeur de résistance.

Si RmPCascade MV[10] = 2 (activé) ou 3 (activé rapidement), alors l'entrée de la sonde est indisponible. 
 

Indicateurs d'état : (*5)

0 – 65535

0,01 – 1000

Réglage d'usine : 1

RD
DeltaP_Pa

AI[29]

Pression différentielle absolue en Pa

0 – 600

0,01 – 600

Réglage d'usine : 10

RD
Vnom_m3h

AV[112]

Débit volumique nominal en m³/h

0 – 50 000

0,01 – 50 000

Réglage d'usine : 1

RD
Vnom_UnitSel

AV[119]

Débit volumique nominal dans l'unité sélectionnée selon UnitSel MV[121]


0 – 250 000

0,01 – 1 000:

Réglage d'usine : 1

RD
SystemAltitude

AV[120]

Altitude du système en mètres au-dessus du niveau de la mer

0 – 3 000

1 – 3 000

Réglage d'usine : 10

WR
DeltaPnom_Pa

AV[122]

Pression différentielle nominale en Pa 

La pression différentielle nominale varie selon la sonde de pression sélectionnée (D3, M1, M1R).

Selon l'application choisie, la pression différentielle nominale sert de dp@Vnom ou de limite de pression maximale

Si ApplicationSel MV[2] = 1 (régulation du débit), alors affichage = pression différentielle nominale

Si ApplicationSel MV[2] = 2 (régulation de la pression) ou 3 (régulation de la pression ambiante), alors affichage = limite de pression maxi.

D3 : 0 – 500

M1 : 0 – 600

M1R : 0 – 75

1 – 600

Réglage d'usine : 1

RD
DeltaPnom_UnitSel

AV[129]

Pression différentielle nominale dans l'unité sélectionnée selon UnitSelPressure MV[127]

Pour plus d'infos : voir AV[122].

0,01 – 1000

Réglage d'usine : 1

RD
Sens1SwitchBI[20]

État de commutation du contact à l'entrée de la sonde 

Si SenType MV[220] = 5 (contact), alors Sens1Switch BI[20] = actif.

Indicateurs d'état : (*6)

0 : inactif

1 : actif

RD
BusTerminationBI[99]

Résistance de terminaison 

Indique si la résistance terminale (120 Ω) a été activée via les outils d'entretien.

0 : désactivé

1 : activé

RD
SummaryStatusBI[101]

État condensé 


Regroupe l'état des objets : "StatusSensor" MI[103] 
"StatusFlow" MI[104] 
"StatusPressure" MI[109] 
"StatusDevice" MI[110]  

Pas égal à 1 : OK

1 : non OK

RD
ApplicationSel

MV[2]

Affichage de l'application 

VRU-D3-M/B TR, VRU-M1-M/B TR

- Régulation du débit
- Régulation de la pression
- Mesure du débit

VRU-M1R-M/B TR
- Régulation de la pression ambiante

1 : Régulation du débit

2 : Régulation de la pression

3 : Régulation de la pression ambiante

4 : Mesure du débit

RD
StatusSensor

MI[103]

État de la sonde de pression différentielle  Si fin d'état = réinitialisation automatique

1 : OK

2 : sonde dP pas OK

3 : sonde dP hors de la plage de mesures

4 : sonde dP mal connectée

RD
StatusFlow

MI[104]

État du débit volumique 



S'il n'y a pas de débit volumique dans les 600 s, alors StatusFlow MI[104] = 3.

1 : OK

2: –

3 : pas de flux d'air détecté

RD
StatusPressure

MI[109]

État de la pression différentielle 

Si la pression différentielle n'est pas atteinte dans les 180 s, alors StatusPressure MI[109] = 3.

1 : OK

2: –

3 : pression non atteinte

RD
StatusDevice

MI[110]

État du dispositif au cours de la surveillance du bus 


Selon BusWatchdog AV[130].

1 : OK

2 : surveillance du délai d'attente du bus activée

RD
UnitSelAirFlow

MV[121]

Sélection de l'unité du débit volumique 

L'unité sélectionnée est indiquée dans AI[19] et AV[104]

1: –

2 : m³/h

3 : l/s

4: –

5: –

6: –

7 : cfm

WR
SpSource

MV[122]

Sélection du réglage de la valeur de consigne

1 : analogique (0 – 10 V, 2 – 10 V)

2 : bus (Modbus, BACnet, MP-Bus)

Réglage d'usine : analogique

WR
UnitSelPressure

MV[127]

Sélection de l'unité de pression

L'unité sélectionnée est indiquée dans DeltaP_UnitSel AI[18] et DeltaPnom_UnitSel AV[129].

1 : Pascal

3 : colonne d'eau

Réglage d'usine : pascal 

WR
Sens1Type

MV[220]

Définition du type de sonde 

Si Sens1Type MV[220] = 2 (actif) ou 3 (passif), alors Sens1Analog AI[20] actif.

Si Sens1Type MV [220] = 5 (contact), alors Sens1Schalter BI[20] actif. 

1 : aucun(e)

2 : sonde active (en mode hybride)

3 : sonde passive 

4: –

5 : contact

Réglage d'usine : aucun 

WR

RD = accès en lecture seule
WR = accès en lecture/écriture
C = Régulation avec matrice de priorité

Indicateurs d'état : 

(*5) Si Sens1Type MV[220] = 1 (aucun), puis Hors service = 1

(*6) Si Sens1Type MV[220] ≠ 5, alors Hors service = 1

Détails du produit

  • DÉTAILS DU PRODUIT

Interface analogique 0 – 10 V DC ou 2 – 10 V DC

L'interface analogique peut être réglée pour la plage de tension de signal de 0 – 10 VDC ou de 2 – 10 VDC. L'affectation des valeurs de débit réelles aux signaux de tension est indiquée sur les courbes caractéristiques. 

  • La plage de tension de signal est prédéfinie en usine conformément aux données du code de commande
  • La plage de tension de signal peut être réglée sur site avec l'appli TROX FlowCheck ou l'outil pour PC


Si l'interface de communication numérique est utilisée, le canal de sortie peut être modifié à tout moment en bus Modbus, BACnet ou MP via l'appli TROX FlowCheck.



Valeur réelle utilisée comme retour pour la surveillance ou la régulation en cascade

  • Le débit volumique réel mesuré par le régulateur peut être relevé sous forme de signal de tension sur la borne 5
  • La plage de tension de signal sélectionnée comprise entre 0 et 10 V DC ou entre 2 et 10 V DC est affectée à la plage de débit volumique 0 – qvNom
  • En mode analogique, il est possible de consulter les données d'exploitation via l'interface de communication numérique (mode hybride)



Interface de communication numérique

Pour utiliser l'interface de communication numérique, il convient d'effectuer une modification tierce à l'aide de l'appli TROX FlowCheck. L'interface de bus peut être réglée sur le bus Modbus, BACnet ou MP. Un échange fluide de données tierces sur le réseau de bus exige des paramètres de communication et l'adresse utilisateur pour l'interface de bus. Les paramètres de communication des systèmes de bus (adresse, débit en bauds, etc.) peuvent être définis avec l'appli TROX FlowCheck. Les interfaces Modbus et BACnet offrent un accès normalisé du registre de bus/l'objet aux points de données disponibles. Le matériel et les logiciels supplémentaires des partenaires officiels MP bus sont nécessaires pour le traitement ultérieur des données MP bus.



Valeur réelle utilisée comme retour pour la surveillance ou la régulation en cascade

  • Les valeurs réelles peuvent être exprimées en m³/h à la fois dans Modbus et BACnet (réglage d'usine). Autres unités possibles comme l/s et cfm
  • Le débit volumique réel peut également être lu sous forme de valeur relative en % via des points de données supplémentaires. 0 – 100 % est affecté à la plage de débit volumique 0-qvNom
  • En plus de la valeur réelle du débit volumique, d'autres informations sur les autres registres Modbus/objets BACnet peuvent aussi être consultées
  • Vue d'ensemble des registres/objets des tables de communication
  • Pour réaliser le diagnostic, la valeur réelle du débit volumique peut être relevée à la borne 5 en mode bus
  • La plage de débit volumique 0 – qvNom correspond toujours à la plage de tension de signal de (0)2 – 10 V DC


Téléchargements

Information produit

production {"x-frame-options"=>"SAMEORIGIN", "x-xss-protection"=>"0", "x-content-type-options"=>"nosniff", "x-permitted-cross-domain-policies"=>"none", "referrer-policy"=>"strict-origin-when-cross-origin", "strict-transport-security"=>"max-age=31536000; includeSubDomains", "content-type"=>"text/html; charset=utf-8", "link"=>"</assets/application-1efef774f4daddb2a10510120c01b6514216bb473627ae8d204a28c1fa9bac5a.css>; rel=preload; as=style; nopush,</assets/print-fec2e47d6d8dcc5d4c101139f17046ba981ca1c12f71e7e403fba50cc7584175.css>; rel=preload; as=style; nopush,</assets/other_js/modernizr.custom.93544-c26374a79d804901074bb4aa6fd3fa44ea22e840389915d2adce16b024021ef3.js>; rel=preload; as=script; nopush,</assets/other_js/js.cookie.min-de103d86d1919b40950f791699b4ce768137fde41af09b35ff92bde369732183.js>; rel=preload; as=script; nopush,</assets/other_js/jquery-3.5.1-2c4ce18a1a3f144c333912efc24a76c9a165a0dba9f88a499985df1af0a196a2.js>; rel=preload; as=script; nopush"}

Partager la page

Recommander cette page

Vous avez la possibilité de recommander cette page en partageant le lien.

Les champs marqués d'une étoile (*) sont obligatoires.

Contact

Merci pour votre message !

Votre recommandation a été envoyée et sera bientôt reçue par le destinataire.

Contact

Nous sommes à votre disposition

Veuillez spécifier le sujet de votre requête et vos coordonnées.
Tel.: +33 1 56 70 54 54

Pièce jointe (max. 10MB)

Les champs marqués d'une étoile (*) sont obligatoires.

Contact

Merci pour votre message !

Votre message a été reçu par le Centre de Service et est en cours de traitement.
Notre département des demandes de service vous contactera sous peu.
Si vous avez des questions d'ordre général sur nos produits et services, vous pouvez également nous contacter à l'adresse suivante:
Tél .: +49 (0) 2845 2020 | Fax: +49 (0) 2845 202265

Contact

Nous sommes à votre disposition

Veuillez spécifier le sujet de votre requête et vos coordonnées.
Tel.: +33 1 56 70 54 54

Pièce jointe (max. 10MB)

Les champs marqués d'une étoile (*) sont obligatoires.

Contact

Merci pour votre message !

Votre message a été reçu par le Centre de Service et est en cours de traitement.
Notre département des demandes de service vous contactera sous peu.
Si vous avez des questions d'ordre général sur nos produits et services, vous pouvez également nous contacter à l'adresse suivante:
Tél .: +49 (0) 2845 2020 | Fax: +49 (0) 2845 202265