XTS_img_01psd.png
Effective pressure transducer GT-VM-DS3
Kopie_von_XD0_gc_04svg.png

Volume flow rate measurement – static transducer

Kopie_von_VMRK_img_07psd.png
Volume flow rate measuring unit VMRK-FL

Type VMRK with control component XTS

VME_img_05psd.png
VME-XTD

Type VME with control component XTS

VMR_img_09psd.png
VMR-125-XTD

Type VMR with control component XTS

XTS_img_01psd.png
Kopie_von_XD0_gc_04svg.png
Kopie_von_VMRK_img_07psd.png
VME_img_05psd.png
VMR_img_09psd.png

XTS

Effective pressure transducer for contaminated air – for example, in extract air applications


Effective pressure transducers based on the static measurement principle for volume flow rate measuring unit types VME, VMR or VMRK 

  • Use in ventilation and air conditioning systems, with clean and contaminated air
  • Analogue actual value signal for monitoring and evaluation by the central BMS
  • Recording of measured values for the display of volume flow rates or for the control of slave controllers
  • Suitable for constant and variable volume flow rates
  • No commissioning using factory-set parameterisation 
  • Integral display for volume flow rate indication (l/s or m³/h)

 


General information

Application

  • Determination of volume flow rates for transmission and processing as an electrical signal for monitoring or tracking control
  • Measurement of effective pressure and conversion of the volume flow rate actual value into an analogue voltage signal
  • For use with clean air and, in particular, contaminated air
  • Transducer factory-set to the unit-related constant (K value) of the measuring unit


Interface

  • Analogue interface with adjustable signal voltage range


Signal voltage ranges

  • 0 – 10 V DC
  • 2 – 10 V DC



Parts and characteristics

  • Effective pressure transducer with static measurement principle
  • Connecting cable with 3 wires, approx. 0.9 m, halogen-free
  • Integral display
  • Any installation orientation


Construction


Type GT-VM-DS3 for volume flow rate measuring unit

  • For VME, VMR, VMRK, all sizes


Commissioning

  • Completely factory-set
  • On-site adjusting is not required



Useful additions

  • Adjustment device GUIV-A
  • PC software WIN-VAV


Description

Parts and characteristics

  • Effective pressure transducer with static measurement principle
  • Connecting cable with 3 wires, approx. 0.9 m, halogen-free
  • Integral display
  • Any installation orientation


Commissioning

  • Completely factory-set
  • On-site adjusting is not required


Useful additions

  • Adjustment device GUIV-A
  • PC software WIN-VAV


Signal voltage ranges

  • 0 – 10 V DC
  • 2 – 10 V DC



Information technique

Function, Technical data, Specification text, Order code

  • Function
  • TECHNICAL DATA
  • SPECIFICATION TEXT
  • ORDER CODE
Principle of operation of volume flow rate measuring unit Funktionsprinzip_XTDai.ai.link

① Effective pressure transducer (dynamic measurement principle)

② Transducer for converting the differential pressure signal into a volume flow rate signal

③ Analogue actual value signal

① Effective pressure transducer (dynamic measurement principle)

② Transducer for converting the differential pressure signal into a volume flow rate signal

③ Analogue actual value signal


The volume flow rate measurement is carried out by measuring the effective pressure. For this reason, the volume flow rate measuring unit is fitted with an effective pressure sensor. The effective pressure is converted into a voltage signal by an effective pressure transmitter with a static measurement principle. The volume flow rate actual value is hence available as a voltage signal. Due to factory adjustment, 10 V DC always corresponds to the nominal flow rate (qvnom;). Voltage ranges are stored in the transducer. 



Effective transducer for volume flow rate measuring units

Type

Part number

Volume flow rate measuring unit

GT-VM-DS3

A00000047145

VME, VMR, VMRK




Effective pressure transducer GT-VM-DS3

Measurement principle/installation orientation Effective pressure transducer with static measurement principle, independent of position
Supply voltage 24 V AC ± 20%, 50/60 Hz
Power consumption (when running/when idle)

0.5 W

Power rating

1.5 VA

Actual value signal output 0 – 10 V DC or 2 – 10 V DC; 0.5 mA max.
IEC protection class

0 – 10 V DC, Ra > 100 kΩ or 2 – 10 V DC, Ra > 50 kΩ

Protection level

IP 54

EMC EMC to 2014/30/EU
Weight

0.15 kg


Range of display functions

Display functions

  • Volume flow rate actual value (unit optionally m³/h, l/s)
  • Display via 3-character display with position valuation labelling (upstroke symbolises thousands of digits)


Setting options

  • Unit of the volume flow rate display m³/h or l/s
  • Signal voltage range 0 – 10 V or 2 – 10 V DC

Category

  • Measuring units for volume flow rate


Application

  • Recording of a constant or variable volume flow rate actual value 
    e.g. for connection to the central building management system for the purpose of monitoring or integration into a room balancing system.

Area of application

  • Effective pressure transducer with static measurement principle for contaminated air in ventilation and air conditioning systems

Installation orientation

  • Either direction

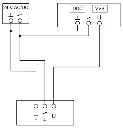
Connection

  • Connecting cable with 3 wires, halogen-free

Supply voltage

  • 24 V AC/DC

Interface

  • Analogue signal 0 – 10 V or 2 – 10 V DC


Interface information

  • Volume flow rate actual value

Special functions

  • Display for showing the volume flow rate actual value (m³/h or l/s) and adjustment of the signal characteristic and the volume flow rate unit

Parameter setting

  • Parameters specific to measuring unit are factory-set
  • Signal characteristic is factory-set
  • Subsequent adjustment on the device itself or using optional tools: 
    Adjustment device, PC software (wired in each case)

Factory condition

  • Electronic transducer factory-mounted on the measuring unit
  • Factory-set parameterisation and testing of air distribution technology; certified with sticker

VMEP1 / 600×400 / XTS / 0
|||||
13579

1 TypeVME Volume flow rate measuring unit 3 MaterialNo entry required: Galvanised sheet steel (standard construction)P1 Powder-coated RAL 7001, silver grey 5 Nominal size [mm]B × H 7 Attachments (control components)XTS Effective pressure transducer with static measurement principle and display 9 Signal voltage range
0 0 – 10 V DC2 2 – 10 V DC  

Order example: VME-P1/400x300/XTS/0
MaterialsWith powder coating
Nominal size400 × 300 mm
AttachmentEffective pressure transducer with static measurement principle and display
Signal voltage range0 – 10 V DC, corresponds to 0 – qvnom;
 

Variants, Product information

  • VARIANTS
  • Product information
*see pictures on the right

Analogue interface 0 – 10 V or 2 – 10 V DC 
The analogue interface can be set for signal voltage range 0 – 10 V DC or 2 – 10 V DC. The assignment of the volume flow rate actual value for voltage signals is shown in the characteristic curves. 
  • The signal voltage range is pre-set in the factory according to the order code entries 
  • Signal voltage range adjustable by others on the unit using a potentiometer and integral display or with service tools 


Actual value as feedback for monitoring or tracking control 
  • On the terminal U, the actual volume flow rate measured by the controller can be tapped as a voltage signal 
  • The selected signal voltage range 0 – 10 V DC or 2 – 10 V DC is shown in the volume flow rate range 0 – qvnom. 


Commissioning
  • On-site adjusting is not required
  • After successful installation and wiring, the transducer is ready for use
  • Observe the volume flow rate ranges of the measuring unit; in particular, the rate may not fall below the minimum volume flow rate.

Téléchargements

Information produit

production {"x-frame-options"=>"SAMEORIGIN", "x-xss-protection"=>"0", "x-content-type-options"=>"nosniff", "x-permitted-cross-domain-policies"=>"none", "referrer-policy"=>"strict-origin-when-cross-origin", "strict-transport-security"=>"max-age=31536000; includeSubDomains", "content-type"=>"text/html; charset=utf-8", "link"=>"</assets/application-efbc495b06ca980ef13dc743756002fce2f413f798fecb64c7f0c81954c16402.css>; rel=preload; as=style; nopush,</assets/print-fec2e47d6d8dcc5d4c101139f17046ba981ca1c12f71e7e403fba50cc7584175.css>; rel=preload; as=style; nopush,</assets/other_js/modernizr.custom.93544-c26374a79d804901074bb4aa6fd3fa44ea22e840389915d2adce16b024021ef3.js>; rel=preload; as=script; nopush,</assets/other_js/js.cookie.min-de103d86d1919b40950f791699b4ce768137fde41af09b35ff92bde369732183.js>; rel=preload; as=script; nopush,</assets/other_js/jquery-3.5.1-2c4ce18a1a3f144c333912efc24a76c9a165a0dba9f88a499985df1af0a196a2.js>; rel=preload; as=script; nopush"}

Partager la page

Recommander cette page

Vous avez la possibilité de recommander cette page en partageant le lien.

Les champs marqués d'une étoile (*) sont obligatoires.

Contact

Merci pour votre message !

Votre recommandation a été envoyée et sera bientôt reçue par le destinataire.

Contact

Nous sommes à votre disposition

Veuillez spécifier le sujet de votre requête et vos coordonnées.
Tel.: +33 1 56 70 54 54

Pièce jointe (max. 10MB)

Les champs marqués d'une étoile (*) sont obligatoires.

Contact

Merci pour votre message !

Votre message a été reçu par le Centre de Service et est en cours de traitement.
Notre département des demandes de service vous contactera sous peu.
Si vous avez des questions d'ordre général sur nos produits et services, vous pouvez également nous contacter à l'adresse suivante:
Tél .: +49 (0) 2845 2020 | Fax: +49 (0) 2845 202265

Contact

Nous sommes à votre disposition

Veuillez spécifier le sujet de votre requête et vos coordonnées.
Tel.: +33 1 56 70 54 54

Pièce jointe (max. 10MB)

Les champs marqués d'une étoile (*) sont obligatoires.

Contact

Merci pour votre message !

Votre message a été reçu par le Centre de Service et est en cours de traitement.
Notre département des demandes de service vous contactera sous peu.
Si vous avez des questions d'ordre général sur nos produits et services, vous pouvez également nous contacter à l'adresse suivante:
Tél .: +49 (0) 2845 2020 | Fax: +49 (0) 2845 202265